中国 - 标记 中国

请确认您选择的货币:

人民币
国际贸易术语:DDP
所有价格均包括关税和海关费用。
大多数订单满¥300 (RMB)即可免运费

Bench Talk for Design Engineers

Bench Talk

rss

Bench Talk for Design Engineers | The Official Blog of Mouser Electronics


以太网供电技术再升级,最大供电能力达90W Barry Manz

Network Cables and Hub Image

随着以太网供电 (PoE) 技术的发展,它已成长为一个全球市场,预计到2025年市值将超过30亿美元,是目前的三倍多,是2015年的八倍。不过即便如此乐观的估计也可能偏保守,因为分析师每年都在提高他们的预测值,而且个中原因也不难理解。IEEE 802.3 PoE标准终于实现了在单根5e类 (CAT 5e) 电缆上传输约90W功率的能力。随着世界上越来越多的城市逐渐互联,这项能力可谓是应运而生。

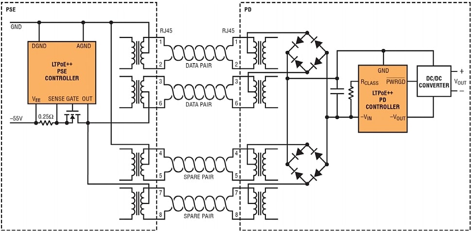
当IEEE 802.3af PoE标准在2003年首次出现时,它在350mA电流下只能将13W功率传输100米的距离,不过这在当时已经令人印象深刻了,因为它可以为一些网络电话 (VoIP) 系统、闭路电视摄像头、射频识别 (RFID) 读卡器和其他低功耗系统供电。不过,13W传输能力还不足以支持视频会议、Wi-Fi路由器、平移倾斜变焦或加热摄像头等应用。 2009年发布的IEEE 802.3at标准在600mA时将直流功率提升到了25.5W(非标准版本除外)。直流功率的提高使得Analog Devices 等制造商能够改进其PoE架构。Analog Devices专有的Linear Technology以太网供电 (LTPoE)++架构(1)提供90W的最大供电能力,向后兼容802.3af,并提供其他功能。

LTPoE++ Architecture Diagram

图1LTPoE++架构采用简化的方法,能在PD端提供90W功率。(资料来源:Analog Devices

到了2018年9月27日,IEEE宣布PoE标准802.3bt最终确定,将最大传输功率提升到了90W。IEEE 802.3bt PoE标准实现了巨大的飞跃,因为:

  • 它显著提高了功率处理能力 
  • 它增加了PoE的潜在应用,因为几乎所有类型的电子设备在过去几年都变得更加高效

现在,在所有类型的建筑物中,绝大多数设备第一次可以将数据传输与直流以太网供电相结合,提高自身能效。在智能城市中,具有可调节和可监控特性的LED灯具正在逐渐取代钠蒸气等光源。此外,由于以太网分布广泛,因此PoE可以补充或取代目前正在安装的照明控制无线解决方案。

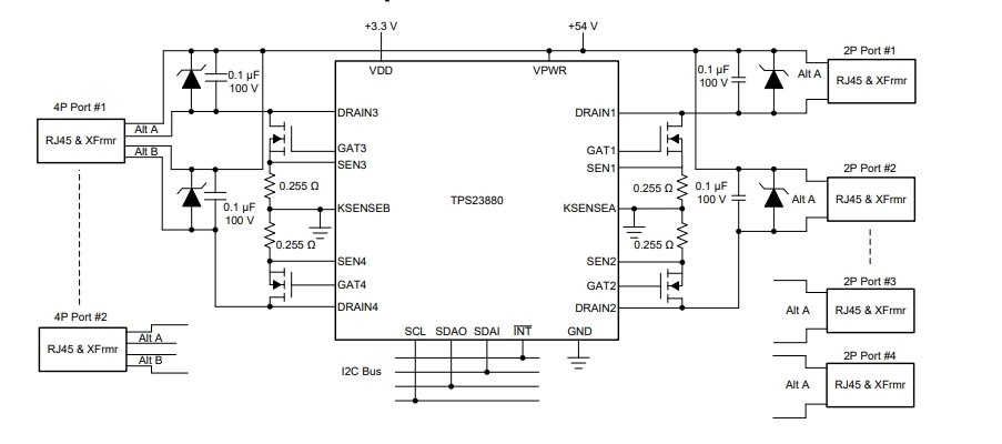
基于802.3bt的应用除了给终端用户带来好处之外,还为控制器、集成电路和其他以太网组件的制造商提供了大好机会,让这些组件能支持更高的功率水平。例如, Analog Devices的LT4295受电设备 (PD) 接口可支持高达71W的功率,端到端效率大于94%。在供电设备 (PSE) 侧,Texas Instruments (TI) TPS23880 (2)是一款PSE控制器,用于检测功率为90W的受电设备。该器件包含可编程标准随机存取存储器 (SRAM),可通过内部集成电路 (I2C) 进行升级。

Texas Instruments PSE controller Block Diagram

图2 TPS23880八通道PSE控制器包含用于现场固件更新的可编程SRAM。(资料来源:Texas Instruments

未来趋势如何?

电子元件制造商和最终用户完全接受802.3bt可能需要几年的时间,因此基于标准的进一步增强可能要在数年之后。同时,其他替代解决方案也在使用PoE作为独立系统为通常消耗150W功率的小电池供电。其他非标准的专有方法也可能出现,进一步扩展功率处理能力,这些方法在兼容标准的环境中可能可用,也可能不可用。



« 返回


Barry Manz是Manz Communications, Inc.(曼兹通信公司)的总裁,该公司是他于1987年创立的技术媒体关系机构。他曾与100多家公司在射频、微波、国防、测试和测量、半导体、嵌入式系统、光波及其它市场进行过合作。Barry曾为多家线下和线上贸易刊物撰写过文章,亦撰写过各种白皮书、应用笔记、研讨会论文、技术参考指南和网页内容。他是Journal of Electronic Defense杂志的特约编辑、Military Microwave Digest杂志的编辑、MilCOTS Digest杂志的共同创办人,也是Microwaves & RF杂志的主编。


按日期查看博客

标签