中国 - 标记 中国

请确认您选择的货币:

人民币
国际贸易术语:DDP
所有价格均包括关税和海关费用。
大多数订单满¥300 (RMB)即可免运费

Bench Talk for Design Engineers

Bench Talk

rss

Bench Talk for Design Engineers | The Official Blog of Mouser Electronics


无线充电技术的新旧创意大盘点 Paul Pickering

图1:感应式无线充电广泛应用于消费电子产品,但是需要发射和接收线圈精确对齐才能工作

在过去的几年间,无线充电市场蓬勃发展,无线充电标准趋于整合,并且不断有新的供应商和新产品涌现。与此同时,一些技术的发展也取得了令人振奋的成果,下面就与大家一起讨论无线充电技术现在的发展情况以及未来的展望。

无线充电也称为无线电力传输(WPT),在一些消费级可穿戴产品中可谓是风靡一时,比如智能手机、智能手表和健康手环等,但是这个创意本身已经存在一个多世纪的时间了。著名的发明家Nikola Tesla早在1891年就展示过两个灯泡之间的WPT效应。无线充电对工业和汽车行业的业者也颇有吸引力,因为不用直接的接触,所以就不会产生火花而引起爆炸,并且无线充电系统还可以单独密封起来,免受工业溶剂、灰尘以及腐蚀气体的影响。

20世纪90年代消费者才开始广泛使用诸如电动牙刷和电动剃须刀之类的小型家用电器。在过去的10年时间里,随着WPT的标准化以及便携式和可穿戴电子产品的兴起,这类需求正不断增加。

两种技术的故事

无线充电系统遵循近场充电(NFC)准则:发射线圈会生成一个震荡磁场空间,通过电磁感应向附近的接收线圈传输能量。典型配置就是固定的充电站或者充电座中包含发射电路和初级线圈,而被充电的设备则包含接收器和次级线圈。

发射线圈(初级线圈)生成的磁场只有一小部分的磁通量可以穿透接收线圈(次级线圈)并传输能量:这两个线圈本质上构成一个变压器,传输效率是两个线圈的耦合系数(K)与质量因子(Q)的函数。

发射器与接收器之间的金属物体会吸收能量,降低效率甚至造成发热构成安全隐患,因此异物检测(FOD)技术也已经被集成到目前的无线充电系统中。

WPT开发人员正在致力于研究两种技术:感应充电使用两个相邻的紧密耦合线圈;共振充电则是使两个线圈都达到谐振频率产生共振效应。尽管这两种技术都采用感应耦合,但所谓“感应充电”通常是指紧密耦合的充电方式。

感应充电概述

感应充电方式是低功耗便携式设备和可穿戴设备的理想选择,但可能不适合一些大型产品,所以我们先讨论感应充电,最后再讨论谐振充电。

感应充电的效率很高,但是对线圈的失调非常敏感。电力的传输与距离的平方成反比关系,随着距离的增加电力传输效率会迅速下降。为了提高效率,用户使用的产品中两个线圈的距离一般都会保持在7mm以内,如果用户移动了接收设备,系统就会检测到充电效率的下降而终止电力传输。

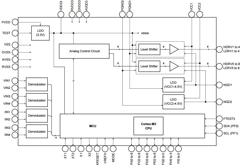
图2显示了使用两个Rohm器件的感应式无线充电系统的架构图,稍后将对此展开讨论。在大多数应用中,无线充电系统还包含另两个模块:一个是为发射器充电的交流/直流电源,一个是接收器后面的锂离子电池充电器。

图2:感应充电系统架构图 (资料来源:Mouser Electronics)

目前有两个相互竞争的感应充电标准:无线充电联盟(WPC)推出的Qi标准和AirFuel联盟支持的AirFuel感应充电标准,两者的工作频率分别在100-200KHz和100-350KHz,它们的整体效率都超过了70%。      

很多制造商的产品都同时支持这两种标准,比如三星的Galaxy S6和S7智能手机同时支持Qi和AirFuel无线充电标准。

无论是Qi还是AirFuel无线充电系统都是通过发射线圈将电力传送给接收线圈,但是都由接收端来控制充电的总量。接收端通过改变初级线圈的负载实现与发射端的通信,Qi标准规定2kbps的数据传输速率以及双相位编码。AirFuel标准则定义了六种不同的通信符号,每个AirFuel无线充电系统接收端都有唯一的六字节ID识别码,这个识别ID是在系统启动时由接收端传送给发射端。

无线充电系统比有线充电系统提供的电力要少的多,因此可能需要更长的充电时间,但是制造商正在积极解决这个问题,比如提高功率水平。2015年推出的WPC v1.2版本规范明确最大支持的功率可达15W,而早期的版本只支持5W。

无线发射器

在工作期间,发射器大部分时间都保持在低功耗的“短暂睡眠”( snooze)模式,每隔一定的时间都会激活检查是否有接收器需要充电。检测到次级线圈存在后,发射器会对接收器进行身份验证,然后开始进行电力传输。如果验证失败,发射器会重新进入睡眠状态。在电力传输的整个过程中,接收端会通过预定义的通信数据包保持对电力传输的完全掌控,这些数据包处理的功能包括识别、身份验证、所需的电量和错误检测等。

图3:兼容Qi的TB6865无线发射器包括模拟、数字和电源模块

图3所示为东芝公司推出的TB6865AFG,它是一款兼容Qi标准的无线发射器。TB6865也是一款复杂的片上系统(SoC)器件,集成了32位ARM Cortex-M3处理器内核和128KB的闪存空间,以及用于实现驱动电源线圈的全桥逆变器的预驱动。其他模块包括三个低压差 (LDO) 线性稳压器和四个用于解码接收器命令的解调器。

无线接收器

与无线发射器类似,无线接收器也是一款复杂的SoC器件,比如罗姆半导体公司(ROHM)推出的BD57015GWL集成了全面同步的整流电路、低阻抗的场效应晶体管(FET)、用于处理Qi和AirFuel通信的数据包控制器和通过调幅实现与发射器通信的开漏输出驱动器。此器件提供可调节的电压输出,同时符合Qi中等功率标准和AirFuel标准。另外罗姆公司还推出了与之匹配的发射器BD57020MWV,它遵守Qi中低功率的无线传输规范。

发射和接收线圈  

为了保证不同厂家器件之间的互操作性,Qi标准还定义了详细的发射器充电线圈要求。这个规范定义了线圈的电磁特性、几何形状和材料。比如A11线圈规范定义的是单层圆形线圈,在铁氧体底座上安装10圈电线,线圈的输入工作电压为5V,电感为6.3μh,最大直流阻抗 (DCR)为60mΩ。

A6版本规范则定义了三个线圈,通过增大可用充电面积降低了对线圈不对齐的敏感性;由于每个线圈需要一个独立的驱动器,因此这种方案的物料(BOM)成本比较高。

发射和接收线圈通常都是采用特殊的利兹线缆(Litz wire)制成,它使用多种绝缘线缠绕成多种形状,将接触面影响最小化,降低效率损失。两个线圈的尺寸应该相近以实现最大程度的能量耦合。比如TDK推出的无线充电线圈兼容Qi标准,适用于移动设备,采用专用的柔性薄金属磁片制成,厚度仅为0.52毫米,输出电流为0.5到0.6A。

图4:Wurth Elektronik公司提供的各种无线充电线圈

图4展示的是各种形式的无线充电线圈,符合A6规范的线圈如图左侧所示。

接收线圈必须非常轻薄才能适合便携和可穿戴设备,但是仍然需要足够坚固才能承受剧烈的振动和冲击。因为每个智能手机、健康手环等电子设备都是不同的,所以接收线圈一般都是定制的。             

在标准化产品中,Vishay/Dale的IWAS系列线圈是首款商用的接收线圈,符合Qi标准规范,可用于5V或7V电压充电。比如IWAS-3827EC-50线圈能够处理高达10W的功率,整个线圈有15圈,电感10.7μH,电阻抗183mΩ,安装在高导磁屏蔽层上,尺寸大约38x26x1mm。

发射器与接收器模块

多家制造商提供的模块都包含线圈和发射器或者接收器,图5展示的是TDK公司推出的WTM505090发射器模块,它包含发射器PCB板卡(集成了前面介绍的东芝TB6865AFG器件)以及发射线圈。

图5:WTM505090发射器模块包含线圈和发射器,它符合WPC1.1规范,采用东芝TB6865无线发射器

WPT开发工具

目前有多款开发套件和工具可帮助设计人员进行无线充电设计。IDT公司提供的WP3W-RK参考套件最高支持3W的无线充电功率。该套件包含发射器和接收器以及三个不同尺寸的线圈来适应不同的功率级别,提供交钥匙型参考设计、模块布局、BOM等,可帮助快速进行原型设计。

新技术已经到来:谐振无线充电

近场感应充电依然是当今的主流技术,但是另外两种技术也即将进入大众视线,它们能够提供更远距离的无线充电。

谐振充电是另一种近场WPT技术,它比感应充电的效率要低一些,但是支持更长的充电距离,对于线圈的不对齐问题也没那么敏感。谐振充电系统不依赖线圈的紧密耦合,相反其两个线圈是松散耦合的,但是都调到一个共同的振动频率。谐振无线充电的优势包括可以同时对多个接收器充电,而且两个线圈的尺寸也可以不同。

谐振无线充电技术对汽车领域的应用来说颇具吸引力,其中一个原因是它相比感应充电在位置上更灵活一些。将电动汽车停在装有充电桩的停车位上,通常情况下很难精确对齐,而对于感应式无线充电来说,发射线圈与接收线圈错开几毫米都不行。

电动汽车需要更高的充电功率,但幸运的是电动车比燃油车有更多的空间可以安装线圈。SAE是汽车行业的标准制定组织,它正在制定SAE J2954标准规范,这是一种面向汽车的谐振充电标准。J2954标准曾计划在2018年正式发布,它一共定义了三种级别的充电规范,适用于轻型和重型行业应用:WPT1(住宅:3.7KW)、WPT2(私人/公共停车场:7.7KW)和WPT3(快速充电:11KW)。

为支持消费级应用,WPC还在Qi标准中增加了谐振充电规范,充电范围最远达到45mm,而且充电器可以安装在台子或桌子下面。当然AirFuel联盟也制定了谐振充电规范。

相对于感应充电方式,谐振充电方式的商用发展明显有些滞后,目前市场上很少有相关商用产品。

即将到来:远场充电

无线充电的最终目标是完全消除距离限制,无论你在哪里,你的智能手机或平板电脑都能够持续不断的充电,但是都会多一堆充电账单!

这就要用到远场无线电力传输,这种技术借助无线电波(辐射耦合)而不是近场磁感应来传输电力。

目前真正无处不在的充电是不存在的,但是我们首先要做的就是将充电距离从几厘米扩展到几米,支持更多的用户充电,比如让一个咖啡店里的所有顾客都能享受无线充电。在众多研究远场射频充电解决方案的公司中有一家公司Ossia在2017年国际消费电子展(CES 2017)上展示了其更新版本的Cota系统。这个系统采用256根天线组成的网络发射2.4GHz频率信号,通过波束成形将能量聚焦到接收器来响应接收器反馈的全向“低功率”警报信号。发射器网络通过分析接收信号的路径确定接收器的位置,然后通过相同的路径返回能量。当接收器移动时,发射器会每隔10ms重新验证接收器的位置。这个系统声称能够同时对多个接收器充电,最大有效范围是30英尺。

另一个研究对象是超声波。与电磁(EM)能量不同,超声波不会干扰通信,不会造成电磁干扰(EMI)和有害的电离效应。2011年位于美国加州圣莫尼卡的uBeam公司宣布开发了一个频率在45-75KHz之间的无线充电系统,这个频率超过了人类、宠物和野生动物的听觉范围。超声波发射器与移动接收器建立视距连接,接收器嵌入在智能手机中接收能量和数据,直到连接断开。尽管在2017年2月进行了成功的概念验证,但是商用产品真正面市可能还需要几年时间。

 

 

 



« 返回


作为一名自由技术撰稿人,Paul Pickering写过很多文章,涉及的主题包括半导体元件与技术、无源器件、封装、电力电子系统、汽车电子、物联网(IoT)、嵌入式软件、EMC和替代能源。Paul在电子行业拥有超过35年的工程和市场营销经验,对汽车电子、精密模拟器件、功率半导体、嵌入式系统、逻辑器件、飞行模拟和机器人领域均有涉猎。他还熟练掌握了数字和模拟电路设计、嵌入式软件和网络技术。Paul出生于英格兰东北部,曾在欧洲、美国和日本生活和工作。他拥有伦敦大学皇家霍洛威学院的物理与电子学士学位,并在塔尔萨大学攻读了研究生。

 

 


按日期查看博客

标签