ABLIC S-19193 Battery Monitoring ICs
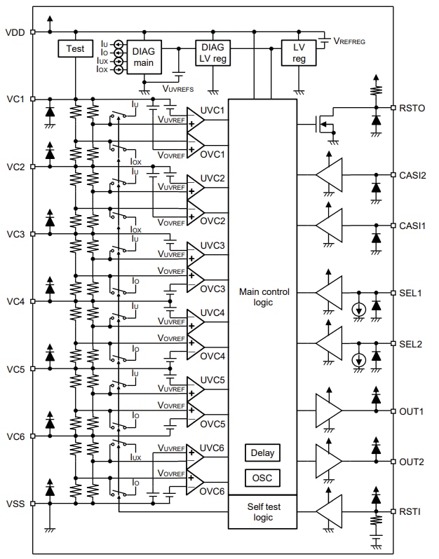
ABLIC S-19193 Battery Monitoring ICs are designed for 3-serial to 6-serial cell packs. These ICs feature a high-accuracy voltage detection circuit for each cell. The S-19193 ICs offer self-test results to confirm overcharge and over-discharge detection operations can be output from the OUT1 pin and the OUT2 pin. These ICs feature cascade connections where battery voltage monitoring of multiple modules is possible by connecting the upper module output to the CASI1 pin and the CASI2 pin. Switching control for 3-serial to 6-serial cell is possible by inputting voltage to the SEL1 pin and the SEL2 pin.The S-19193 ICs feature an overcharge detection voltage of 2.5V to 4.5V with ±20mV accuracy and 4.8V to 28V wide operation voltage range. These ICs consume a low current of 20µA and operate within the -40°C to 125°C temperature range. Typical applications include automotive rechargeable battery packs for Electric Vehicles (EVs), Hybrid Electric Vehicles (HEVs), and Plug-In Hybrid Electric Vehicles (PHEVs).
Features
- High-accuracy voltage detection circuit for each cell
- Self-test results to confirm overcharge and over-discharge detection operations can be output from the OUT1 pin and the OUT2 pin
- Cascade connection function:
- Battery voltage monitoring of multiple modules is possible by connecting the upper module output to the CASI1 pin and the CASI2 pin
- Switching control for 3-serial to 6-serial cell is possible by inputting voltage to the SEL1 pin and the SEL2 pin
- OUT1 pin, OUT2 pin output form:
- CMOS output
- OUT1 pin, OUT2 pin output logic:
- Active "H"
- Lead-free (Sn 100%) and halogen-free
- Two detection signal types:
- Common:
- OUT1 pin:
- Overcharge and over-discharge detection signal
- OUT2 pin:
- Overcharge detection signal
- OUT1 pin:
- Separate:
- OUT1 pin:
- Overcharge detection signal
- OUT2 pin:
- Over-discharge detection signal
- OUT1 pin:
- Common:
Specifications
- 2.5V to 4.5V (25mV step) overcharge detection voltage n:
- ±20mV accuracy (Ta = +25°C)
- ±30mV accuracy (Ta = −5°C to +55°C)
- 2.3V to 4.5V overcharge release voltage n:
- ±50mV accuracy
- 1V to 3V (100mV step) over-discharge detection voltage n:
- ±80mV accuracy
- 1V to 3.3V over-discharge release voltage n:
- ±100mV accuracy
- Each delay time is settable by an internal circuit only (External capacitors are not necessary):
- 0.5ms, 1ms, 2ms, 4ms, 8ms, 16ms, 32ms, 64ms, 128ms, and 256ms detection delay time
- 0.25ms, 0.5ms, 1ms, 2ms, 4ms, 8ms, 16ms release delay time
- High-withstand voltage:
- 28V absolute maximum rating
- 4.8V to 28V wide operating voltage range
- Ta = −40°C to 125°C wide operating temperature range
- 20μA maximum low current consumption during operation (Ta = 25°C)
Applications
- Automotive rechargeable battery packs:
- Electric Vehicles (EVs)
- Hybrid Electric Vehicles (HEVs)
- Plug-In Hybrid Electric Vehicles (PHEVs)
Block Diagram
发布日期: 2024-12-03
| 更新日期: 2024-12-09
