ACEINNA OpenIMU335RI 6DOF Open-Source IMU Module
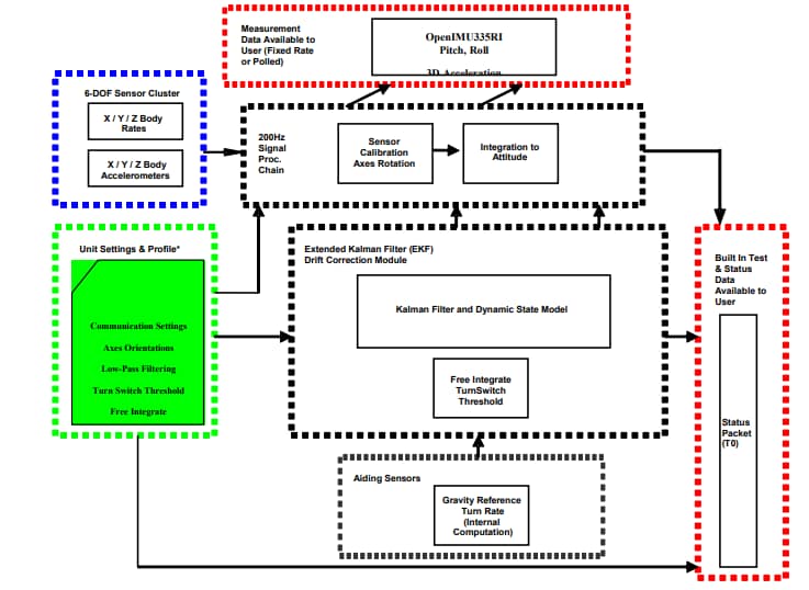
ACEINNA OpenIMU335RI 6DOF Open-Source IMU Module is a high-performance, rugged module with CAN and RS232 interfaces. The easy-to-use 6-DOF (9 optional) open inertial platform is packaged in a rugged sealed over-molded plastic housing. The ACEINNA OpenIMU335RI includes triple-redundant 3-Axis MEMS accelerometers and rate gyros which are fully calibrated over the operating temperature range.The ACEINNA OpenIMU335RI 6DOF Open-Source IMU Module integrates a 168MHz ARM M4 CPU with a Floating Point Unit. The OpenIMU335RI runs the OpenIMU open-source stack that features an optimized 16-state Kalman Filter for Attitude and GPS-Aided Position Velocity-Time (PVT) measurement. The open navigation platform allows embedded navigation applications quickly developed on PC, MAC, and Ubuntu deployed to run on OpenIMU hardware.
Features
- 0.1° Accuracy over temperature and angle
- Precision 3-axis MEMS Accelerometer
- Low-drift 3-axis MEMS angular rate sensor
- Triple-redundant architecture with fault detection
- 3-axis AMR Magnetometer (Optional)
- CAN 2.0 and RS232 Interfaces
- 168MHz ARM M4 processor
- Open source tool chain / algorithms (VG/AHRS/INS)
- Built in 16-state open source EKF
- Open community & support
- -40°C to +85°C Wide temperature range
- 9V to 32V Wide supply voltage range
- IP67 Ampseal connector
- High reliability, MTBF >50k hours
Applications
- Autonomous vehicles
- Self-driving taxis / delivery vehicles
- Construction vehicles - boom, bucket and cab attitude
- Agriculture vehicles and implements
- Forklifts
- Robotics control/feedback
- Antenna/camera gimballing and stabilization
Specifications
- 6 (9 optional) Axis
- Rugged / Sealed
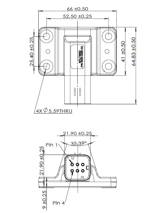
- 65mm x 66mm x 27mm Size
- CAN / RS232 Interface
- 16 6-pos Connector style ampseal
- 400+/- deg/sec Gyro range
- 1.3deg/hr Gyro in-run bias stability
- 0.1% Gyro non-linearity
- 5-50Hz Gyro bandwidth
- 0.1deg/sec Gyro bias over temp
- 0.1deg/√hr Gyro angular random walk
- 8+/-g Accel range
- 5-50Hz Accel bandwidth
- 8+/- Gauss magnetic field range (optional)
Additional Resources
Software Block Diagram
Hardware Block Diagram
Outline Dimensions mm
发布日期: 2021-05-28
| 更新日期: 2022-03-11
