Adam Tech IDC Connectors
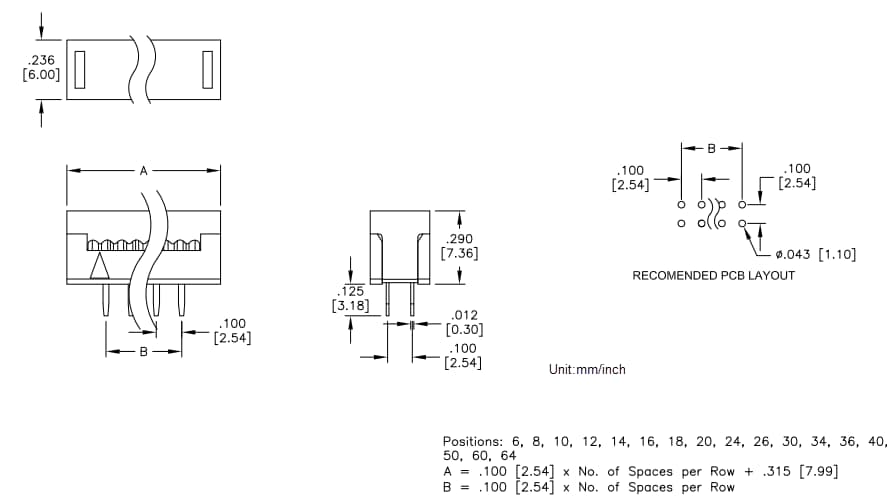
Adam Tech Insulation Displacement Termination Connectors (IDC) are designed to terminate flat cables quickly and effectively. These easy-to-use, low-profile, high-density, and reliable connectors operate at 250VAC maximum voltage and -40°C to 105°C temperature range. The IDC connectors feature a 1A maximum current rating and up to 1000VAC dielectric withstanding voltage for 1 minute. These connectors comply with UL-recognized file no. E224053 certifications.The IDC sockets are flat cable sockets with 0.100″ pin-to-pin and row-to-row centerlines that terminate flat cables in a single step. These small-size sockets can mate with a multitude of 0.25″ square post pin headers.
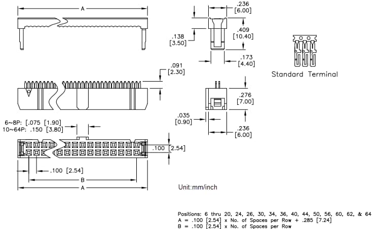
The IDC DIP and transition plugs are one-piece connector systems that mass terminate flat cable and mount directly to the PCB or PCB socket. These plugs are ideal for interconnecting PCBs in a permanent flat cable transition or disconnect applications.
Features
- Low profile and high density
- Smooth high-pressure wiping contacts
- Mass terminates standard flat cable
- 250VAC maximum operating voltage
- Comply with UL-recognized file no. E224053 certifications
- 1A maximum current rating
- Available in anti-ESD plastic trays package
- 28AWG stranded recommended wire size
Applications
- Interconnecting PCBs in a permanent flat cable transition
IDC Socket Mechanical Diagram
IDC Flat Cable DIP Plugs
IDC DIP Plugs
Datasheets
Additional Resource
发布日期: 2024-07-15
| 更新日期: 2024-08-29
