Allegro MicroSystems CT4022 & CT4032 XtremeSense TMR Current Sensors
Allegro MicroSystems CT4022 and CT4032 XtremeSense TMR Current Sensors deliver superior noise performance and high-precision current measurements for high-voltage, power-dense clean energy applications. These Allegro current sensors measure current flowing through an integrated conductor and reject interference from external stray magnetic fields. The sensors are tailored for clean energy systems, where maximizing power conversion efficiency is critical. Integrated galvanic isolation enables low-side, high-side, or in-line current sensing in applications up to 1000V. The CT4022 comes in an 8-pin SOIC package, and the CT4032 comes in an industry-standard 16-pin wide-body SOIC package.
Features
- 500kHz operating bandwidth for fast control loops or where high-speed currents are monitored
- High performance for optimized energy applications
- Ratiometric operation
- Differential sensing rejects common-mode fields
- No magnetic hysteresis
- 1mΩ primary conductor resistance for low power dissipation and high-inrush current capability
- 3.3V or 5V supply voltage variants
- Optimized for high dV/dt applications
- UL 62368-1 (edition 3) certification (pending), highly isolated compact surface mount packages
- High withstand surge power ratings
- -40°C to +125°C operating temperature range
- SOIC-8 (CT4022) and SOICW-16 (CT4032) package options
- AEC-Q100 Grade 1 automotive qualified (-A variants only)
Applications
- Data center power supplies
- Server power supplies
- Personal mobility (e-bike and e-scooter) motor drives
- Clean energy string inverters
- Clean energy microinverters
- HEV/EV onboard chargers
Videos
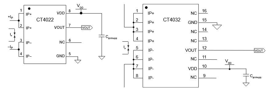
Application Circuits
发布日期: 2025-04-17
| 更新日期: 2025-12-22
