特性
- 兼容eye press配合尾部
- 兼容标准直角ExaMAX或垂直接头选项
- 加固型轻质铝MIL-DTL-38999系列III尺寸23和25
- 键控:“N”(标准)“A”、“B”、“C”、“D”、“E”
- VITA 47冲击和振动
- 经过完全电气测试
- 铜合金触点材料
- 铝和不锈钢,采用标准电镀选项外壳材料
- 选择性镀金合金和50u镍触点上镀纯锡
规范
- 阻抗:100Ω
- 支持高达10Gbps PAM4的数据速率
- 可插接500次
- 工作温度范围:-40°C至85°C
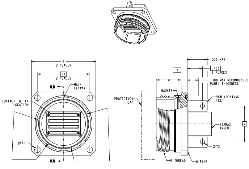
机械图纸
机械图纸
其他资源
发布日期: 2024-04-18
| 更新日期: 2025-12-15

