Amphenol Advanced Sensors NPC-1220压力传感器
Amphenol Advanced Sensors NPC-1220压力传感器是一套极具性价比的解决方案,适用于在宽温度范围内需要校准性能的应用。这些压力传感器带可选的压力端口和引线配置,在压力连接走向至关重要的的薄型应用中具有出色的灵活性。NPC-1220压力传感器基于NovaSensor的先进SenStable®压阻式传感技术。采用硅微加工技术将压阻式应力计通过离子植入惠斯登桥式配置中。典型应用包括工业自动化、气流监控、过程控制、医疗设备以及地下电缆泄漏检测。NPC-1220系列的压力范围为0psi至5psi(0bar至0.34bar),通过0psi至100psi(0bar至6.89bar)。特性
- 满量程输出 (FSO):50mV
- 精度:0.1%
- 可互换
- 工作温度范围:0°C至60°C
- 固态可靠性
- 单个器件可追溯性
- PCB上安装封装
- DIP封装
应用
- 工业自动化
- 过程控制
- 医疗设备
- 气流监控
- 地下电缆泄漏检测
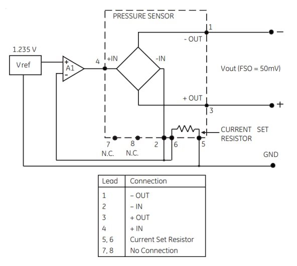
NPC-1220传感器示意图
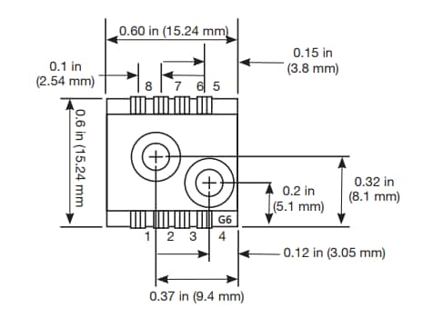
NPC-1220传感器尺寸
发布日期: 2018-09-05
| 更新日期: 2022-08-01
