特性
- IEEE或更好的规格支持以下协议:
- 10/100/1000BASE-T
- 100BASE-FX
- 1GBASE-FX
- 1GBASE-EX和-ZX
- 1GBASE-LX和-LX10
- 1GBASE-SX和-SX4
- 完全坚固耐用,适用于MIL-STD-810冲击和振动
- 非常适合用于将多个千兆位以太网连接路由到系统
- 无需内部子系统光纤线束、互连或收发器
- 利用铜收发器和现有互连(背板、线束、面板)进行系统光纤连接
- 连接器处的媒体转换降低了系统复杂性和成本。
- 媒体转换器中MIL-DTL-38999圆形连接器的所有优势
- 工作温度范围:-40 °C至+70 °C
视频
CF_020400_51X_A和CF_020400_57X_A机械图
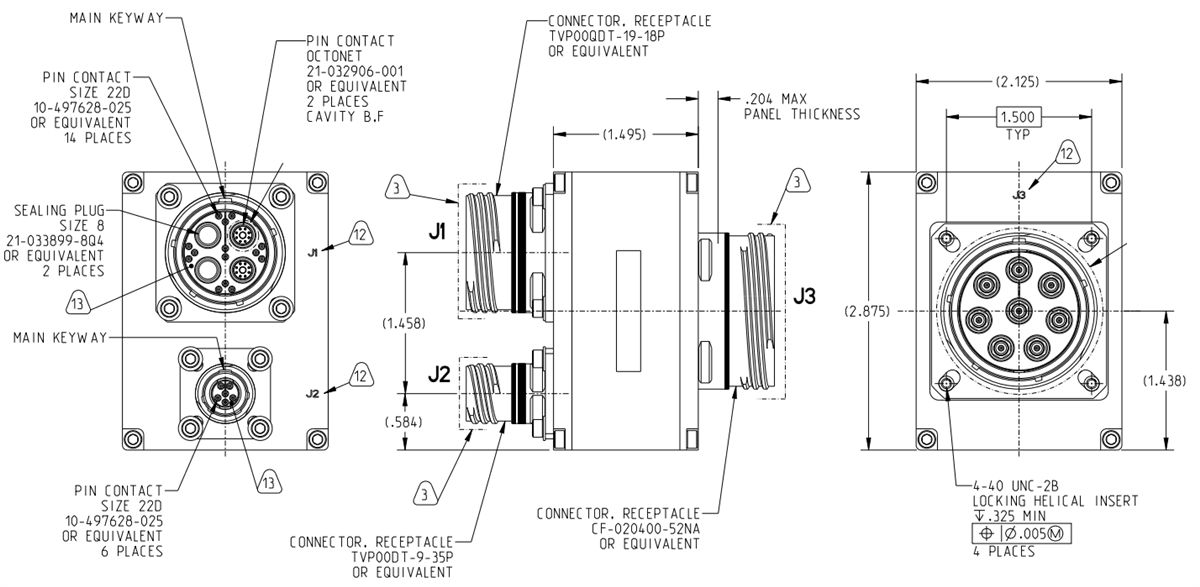
CF_020400_52X_A机械图
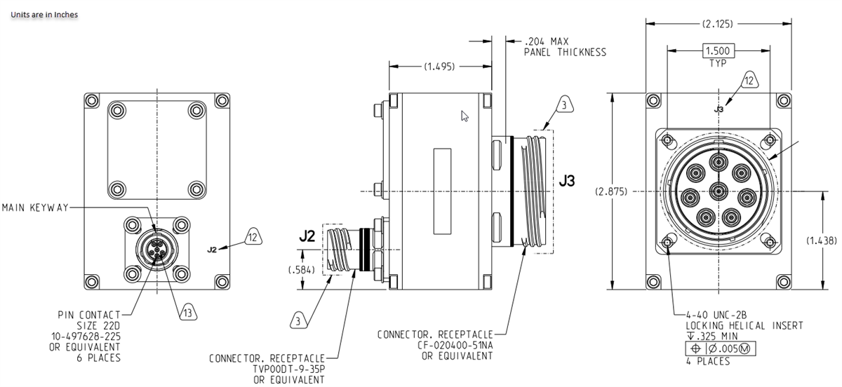
CF_020400_56X_A机械图
发布日期: 2023-09-11
| 更新日期: 2025-01-14

