Amphenol / SV Microwave 反向安装通孔射频PCB连接器

Amphenol/SV Microwave反向安装通孔射频PCB连接器通过消除过孔转换提供卓越的信号完整性,使其成为高频设计的理想选择。此系列反向安装射频连接器还可减少寄生效应、简化布线、减少PCB堆叠,从而改善现代射频系统的机械集成。Amphenol/SV Microwave反向安装通孔射频PCB连接器有SMP和SMPM系列可供选择,额定工作频率高达40GHz。

特性

  • 直接信号路径可减少插入损耗和反射
  • 节省空间的低矮型机械集成设计
  • 消除PCB顶部的电缆布线
  • 干净、可预测的阻抗过渡
  • 频率:高达26.5GHz(SMP)或40GHz(SMPM)
  • 阻抗:50 Ω

应用

  • 雷达和卫星通信
  • 紧凑型模块
  • 毫米波系统
  • 5 G

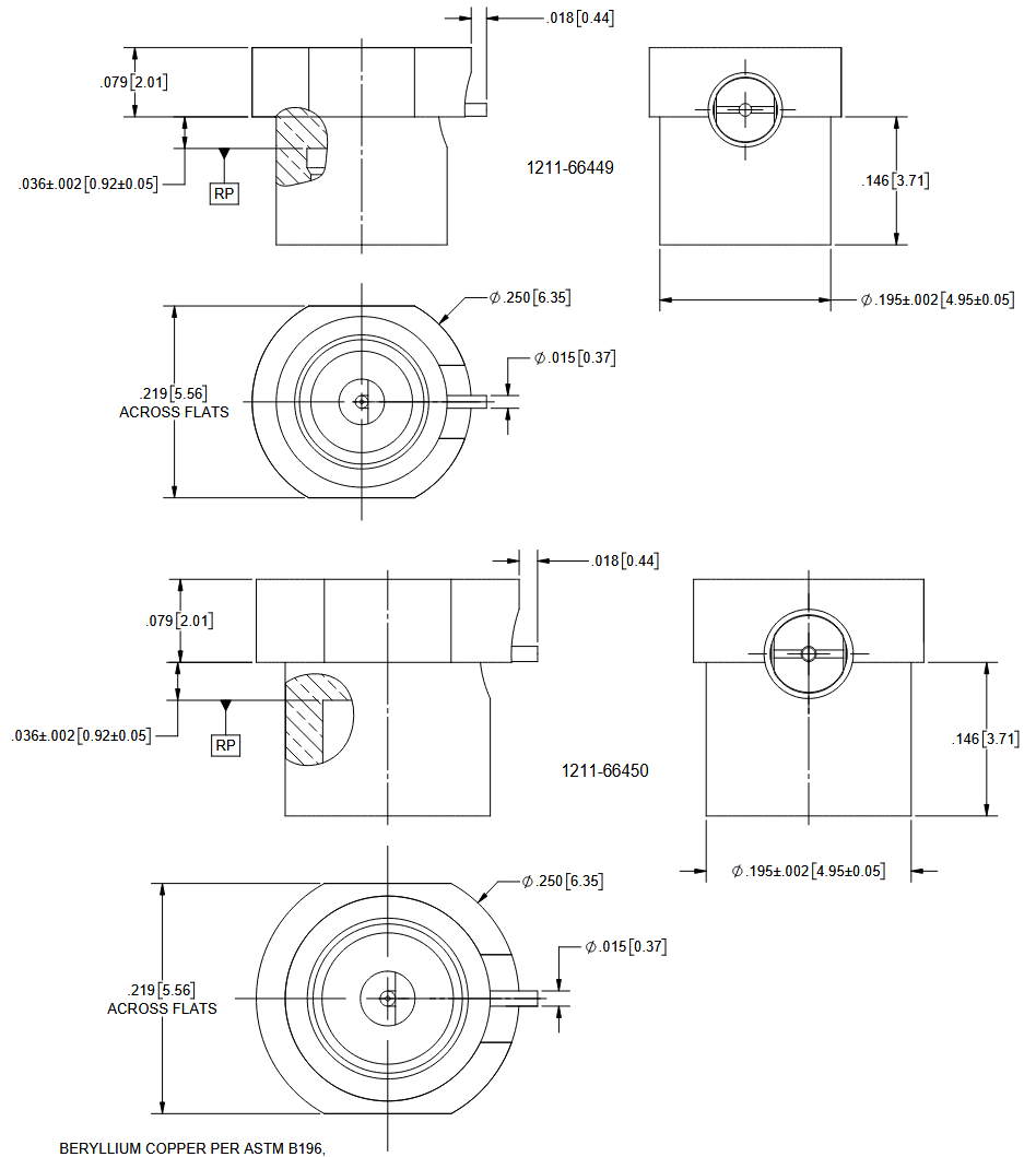
SMP产品图纸

机械图纸 - Amphenol / SV Microwave 反向安装通孔射频PCB连接器

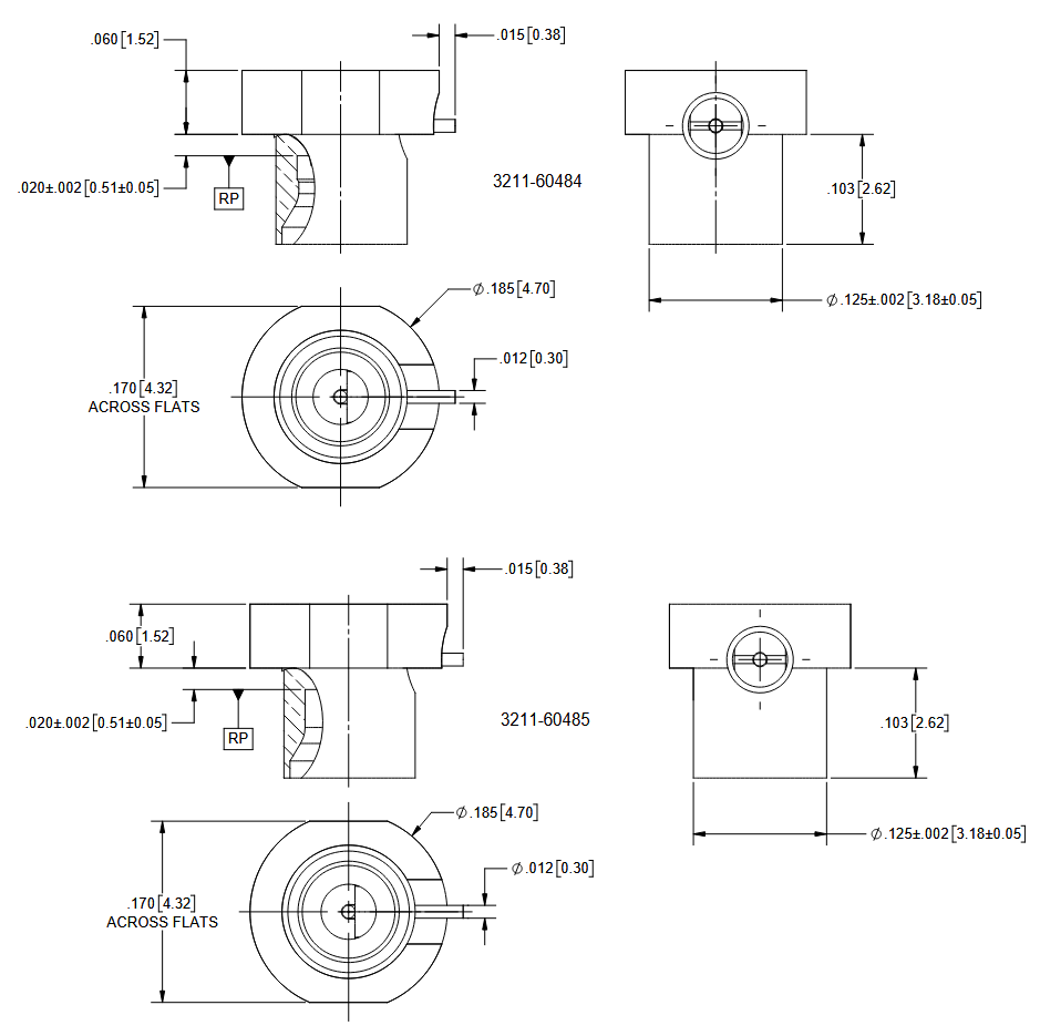
SMPM产品图纸

机械图纸 - Amphenol / SV Microwave 反向安装通孔射频PCB连接器
发布日期: 2025-10-14 | 更新日期: 2025-10-23