Amphenol Socapex μCOM USBC 3.2第2代坚固型连接器和组件
Amphenol Socapex μCOM USBC 3.2第2代坚固型连接器和线缆组件为USB Type-C®标准连接器提供了一种微型化坚固型解决方案。这些恶劣环境解决方案具有15mm的最大外径,并提供推挽或螺纹接口。Amphenol Socapex μCOM USBC 3.2可加强和保护设备,使其免受液体、灰尘、冲击以及振动导致的断开的影响。这些线缆组件还可为插座实现数据和电源传输的双向性。该系列为用户提供了USB-C的灵活性,可设计出许多不同的数据、电源传输和视频配置,同时具备Amphenol Socapex在坚固型连接器解决方案方面的专门技术优势。特性
- 最大外径为15mm,性能有保证
- 长达1m - 兼容USB3.2第2代数据传输速度
- 1m至2m - 兼容USB 3.2第1代数据传输速度
- 耐冲击、振动和牵引
- 未插配时具有IP68密封(每小时1m)
- 支持以DP1.4替代模式进行视频传输
- 采用符合ROHS标准的黑色锌镍镀层的机加工黄铜外壳(500小时盐雾)
- 插头/插座插配周期次数
- 2000次(推挽式)
- 500(螺纹式)
应用
- C6ISR
- 在恶劣环境下的数据采集和传输
- 海军/国防通信和地面车辆
- 坚固的计算和显示器
- 可穿戴设备
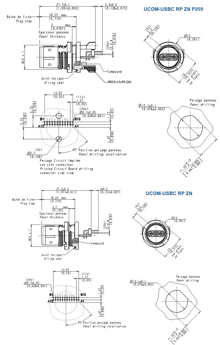
UCOM-USBC RP ZN尺寸
UCOM-USBC PP ZN和PT ZN尺寸
UCOM-USBC PP RA ZN和PT RA ZN尺寸
发布日期: 2026-02-13
| 更新日期: 2026-03-11
