特性
- 2.80mm x 1.00mm x 0.80mm白色SMT封装, 彩色漫射(蓝色、纯绿色)或透明(白色)硅树脂
- 显性波长(蓝色、纯绿色)或色度坐标(白色)
- 蓝色:470nm
- 纯绿色:523nm
- 白色:Cx=0.30,Cy=0.28,符合CIE 1931标准
- 发光强度
- 蓝色:280mcd至710mcd
- 纯绿色:1800mcd至4500mcd
- 白色:1600mcd
- 光学效率
- 蓝色:25lm/W
- 纯绿色:112lm/W
- 白色:45lm/W
- 蓝宝石上InGaN芯片技术
- 典型发光角度:120°(朗伯发射体)
- 分档:20mA
- 正向电流:5mA至30mA
- 浪涌电流:300mA
- 工作温度范围:-40°C至+85°C
- 储存温度范围:-40°C至+100°C
- 结温:+95°C
- 耐腐蚀等级:1B
- ESD耐压:2kV,符合ANSI/ESDA/JEDEC JS-001(HBM,2类)要求
应用
- 扁平光导管
- 电子设备
- 游戏设备
- 白色家电
视频
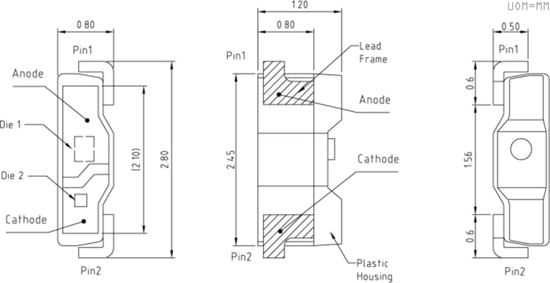
机械图纸
发布日期: 2021-12-06
| 更新日期: 2022-08-01

