![]() | ||
欧司朗 DURIS™ E 5 LED欧司朗光电半导体 DURIS™ E 5 LED 以紧凑的外形尺寸 (5.6mm x 3.0mm)实现高达 112lm/W (在 6000K / 70 CRI 下)的高光效和 120º 的宽光束角。这些 0.5W LED 以 ANSI 分档,具有 2700K 到 6500K 的 CCT,并提供 70-85 之间的 CRI 选择。典型光通量输出 41lm (3000K / 85 CRI) 到 45lm (6000K / 70 CRI)(120mA 下)。 这些特性使欧司朗光电半导体 DURIS™ E 5 LED 成为均匀照明应用的理想选择,在此领域中 DURIS™ E 5 的系统级性能一贯表现出色。该系列封装特色和优点包括蓝宝石上带 InGaN 的晶片技术和带彩色、色散硅树脂的 SMT 封装。 Duris E 5 LED 的常见应用有改型灯、工作灯、白色家电、发光字等。 同样可获!查看 欧司朗光电半导体 DURIS™ E3 LED
| ||
|
| ||
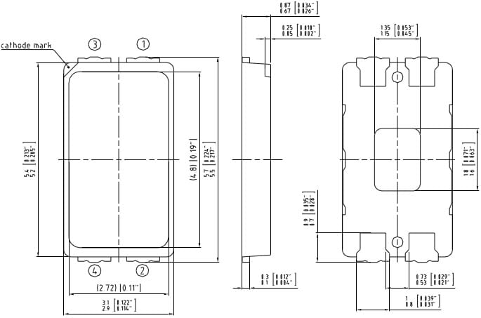
封装尺寸(mm) ![]() | ||
![]() |
发布日期: 2011-12-07
| 更新日期: 2025-06-20





