ams OSRAM OSLON® SSL LEDs

ams OSRAM OSLON® SSL LEDs deliver the high efficacy that is necessary for professional indoor and outdoor lighting. The ceramic-based package with its superior corrosion robustness addresses perfectly the needs for long lifetime applications.

OSLON SSL 80 LEDs feature an 80º viewing angle that delivers directed light with outstanding efficiency from an incredibly small source.

OSLON SSL 150 LEDs feature an 150º viewing angle for a wide radiation pattern to help avoid internal shading effects when utilized in tight clusters.

These OSRAM LEDs are designed for use in residential retrofits and fixtures, task lights, accent lights, professional downlights, shop lighting, and more.

Features

  • Compact 3.0mm × 3.0mm footprint
  • Viewing angle:
    • OSLON SSL 80: 80°
    • OSLON SSL 150: 150º
  • Wide options of CRI and CCT range available (White)
  • Broad 451nm to 730nm range of color selection (Color)
  • Compact and symmetrical, allowing dense clustering for high-flux packages
  • Key parameters binned at 85°C
  • Very low thermal resistance
  • Maximum driving current up to 1.3A
  • Light recycling by reflective layer of the package, using every single lumen
  • Superior corrosion robustness
  • Very low thermal resistance

Specifications

  • Interior Lighting
    • Retrofits and fixtures
    • Spotlights
    • Task lights
    • Shelf lighting
    • Downlights
    • Accent and effect lighting
    • Highbay
  • Outdoor Lighting
    • Street
    • Tunnels
    • Parking lots
    • Pedestrian areas
  • Architecture and Entertainment
    • Color changing fixtures
    • Entertainment stage and studio lighting

Videos

ams OSRAM OSLON Signal

OSLON Signal LEDs support cutting edge traffic light designs with a significantly reduced number of LEDs per signal. The tiny ceramic-based high-performance package sets new standards in terms of electro-optical efficiency even at high temperatures. This includes a high-efficiency yellow LED with a ceramic converter. OSLON Signal are available in various colors and performance classes, offering bin selections that comply with international and many national standards.

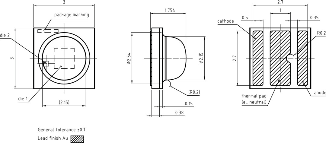
Package Outline

Mechanical Drawing - ams OSRAM OSLON® SSL LEDs
发布日期: 2010-01-08 | 更新日期: 2026-03-25