LT8708-1稳压器控制器可与LT8708控制器并联以增加LT8708系统的功率和相位。这些稳压器控制器可始终作为主器件LT8708的从器件运行,并能够传输与主器件一样多的电流或功率。LT8708x控制器简化了电池/电容器备份系统以及其他可能需要调节VOUT、VIN、IOUT和/或IIN的应用中的双向电源转换。典型应用包括高压降压-升压转换器、双向充电系统和汽车48V系统。
特性
- 80V双向功能
- VIN可高于、低于或等于VOUT
- 六种独立的稳压形式:
- VIN电流(正向和反向)
- VOUT电流(正向和反向)
- VIN和VOUT电压
- 功率向任一方向流动
- 非常适合用于相同电压双电池汽车应用中的冗余
- 同步整流:效率高达99%
- 非常适合用于大容量电池
- 支持正向和反向非连续导通模式
- 支持在切换的同时进行MODE和DIR引脚变更
- VINCHIP范围:2.8V至80V
- VOUT范围:1.3V至80V
- 还可搭配超级电容器使用
- 采用40引脚 (5mm x 8mm) QFN封装,具有高压引脚间距
应用
- 高压降压-升压转换器
- 双向充电系统
- 汽车48V系统
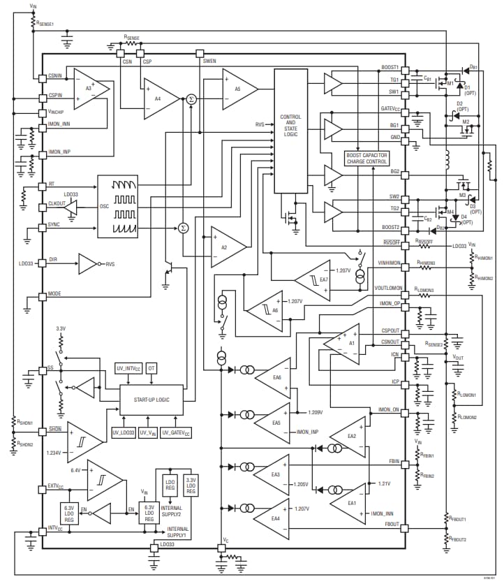
框图
典型应用电路
视频
发布日期: 2019-01-07
| 更新日期: 2023-07-27

