ADI AD8412ARM-EVALZ板支持采用小外形封装(MSOP) 的AD8412A。
特性
- 实现快速面包板设计和原型设计
- 易于配置,用于单向或双向操作
- 包括电流检测分流电阻器的配置
- 易于连接到测试设备
- 包括输入滤波器和输出滤波器的配置
- 去耦电源线
应用
- 用于以下领域的同相或高侧电流检测:
- BLDC电机、低电感电机中的电机控制
- 双向48V至12V直流-直流转换器
- 螺线管控制器
- 电源轨监控
- 低压侧电流检测
布局
连接到端子块
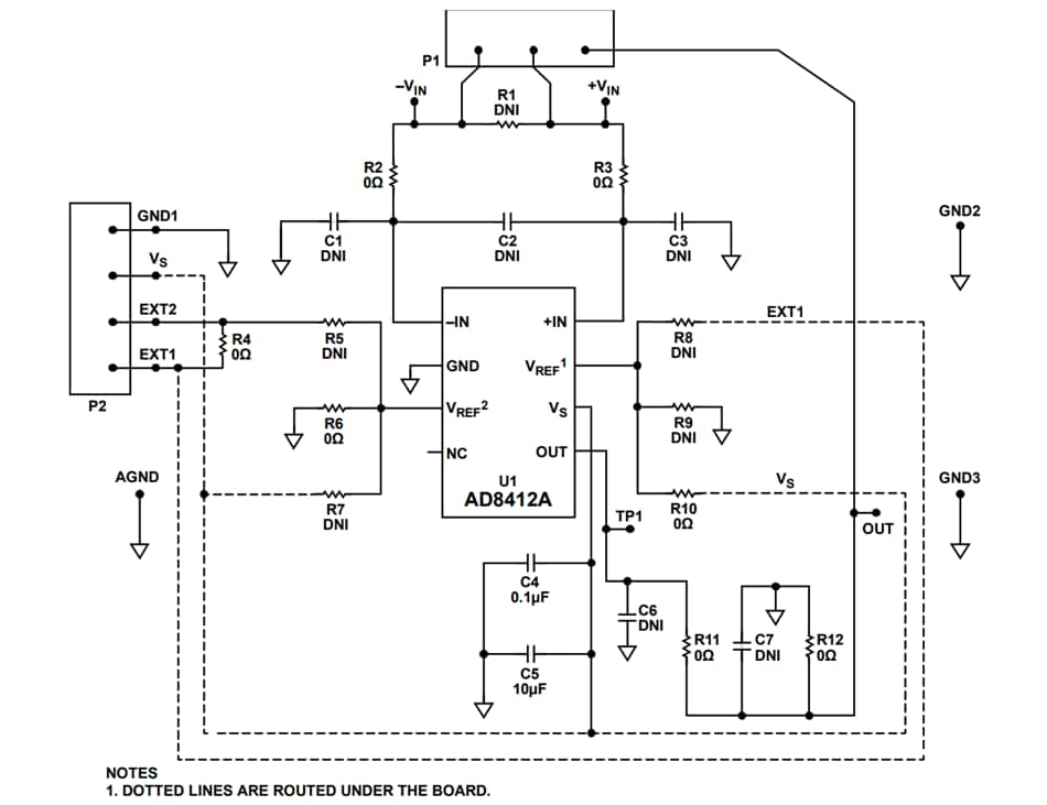
原理图
发布日期: 2025-03-14
| 更新日期: 2025-03-18

