特性
- Fixed gain of 2000
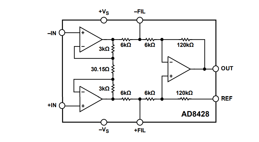
- Access to internal nodes provides flexibility
- 1.5nV/√Hz input voltage low noise
- High accuracy dc performance
- 10ppm/°C Gain drift
- 1μV/°C Offset drift
- 0.2% Gain accuracy
- 130dB min CMRR
- Excellent ac specifications
- 3.5MHz Bandwidth
- 40V/μs Slew rate
- ±4V to ±18V Power supply range
- 8-pin SOIC package
- ESD protection >5000V (HBM)
- −40°C to +85°C Temperature range for specified performance
- Operational up to 125°C
应用
- Sensor interface
- Medical instrumentation
- Patient monitoring
Block Diagram
发布日期: 2013-04-25
| 更新日期: 2022-03-11

