特性
- JESD204B(子类1)编码串行数字输出
- 通道速率高达15Gbps
- 总功率:1.74W(1GSPS时)
- 每ADC通道:435mW
- SFDR=TBD dBFS(305MHz时,1.80V p-p输入范围)
- SNR=TBD dBFS(305MHz时,1.80V p-p输入范围)
- 噪声密度=−151.5dBFS/Hz(1.80V p-P输入范围)
- 直流电源:0.975V、1.8V和2.5V
- 无失码
- 集成ADC电压基准
- 模拟输入缓冲器
- 片上抖动,以提高小信号线性度
- 灵活的差分输入范围
- 1.44V p-p至2.16V p-p(标称值1.80V p-p)
- 模拟输入全功率带宽:1.4GHz
- 振幅检测位,实现高效AGC
- 四个集成宽带数字处理器
- 48位NCO,高达4级联半带滤波器
- 差分时钟输入
- 整数时钟分频值:1、2、4或8
- 片上温度二极管
- 灵活的JESD204B通道配置
应用
- 激光雷达
- 通讯
- DSO
- 超宽带卫星接收器
- 仪器仪表
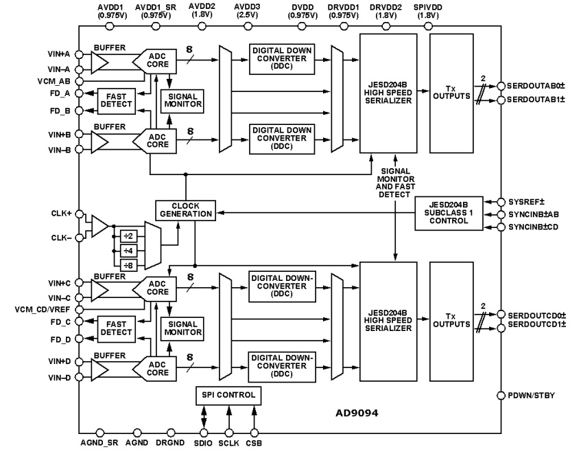
功能框图
发布日期: 2020-12-15
| 更新日期: 2024-12-13

