特性
- 支持多频段无线应用
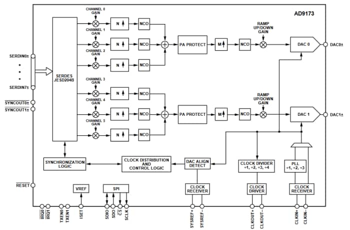
- 每个RF DAC均具有3个可旁路复用数据输入通道
- 每个输入通道的最大复用数据输入速率达1.54GSPS
- 每个输入通道具有1个独立的NCO
- 专有的低杂散和失真设计
- 双音互调失真 (IMD) = −83dBc(1.8GHz时),−7dBFS/音调RF输出
- 无杂散动态范围 (SFDR) <−80dBc(1.8GHz时),−7dBFS RF输出
- 灵活的8线、15.4Gbps JESD204B接口
- 支持单频段和多频段使用案例
- 支持12位高密度模式,用于增加的数据吞吐量
- 可选择内插滤波器,适用于全套数据输入速率
- 1×、2×、3×、4×、6×和8×可配置数据通道插值
- 1×、2×、4×、6×、8×和12×可配置最终插值
- 多芯片同步
- 支持JESD204B子类1
- 最终的48位NCO,以DAC速率运行,可支持高达6GHz的频率合成
- 发射使能功能可实现额外省电和下游电路保护
- 高性能、低噪声PLL时钟倍频器
- 支持12.6GSPS DAC更新率
- 具有可选分频比的观察ADC时钟驱动器
- 低功耗
- 12GSPS时为2.55W,双通道模式
- 10mm × 10mm、144球BGA_ED封装,带金属增强型散热盖,间距为0.80mm
应用
- 无线通信基础设施
- 多频段基站无线电
- 微波/E频段回程系统
- 仪器仪表、自动测试设备 (ATE)
- 雷达和干扰器
发布日期: 2018-03-26
| 更新日期: 2023-01-25

