Analog Devices Inc. AD9177 16位数模转换器(带宽带信道发生器)
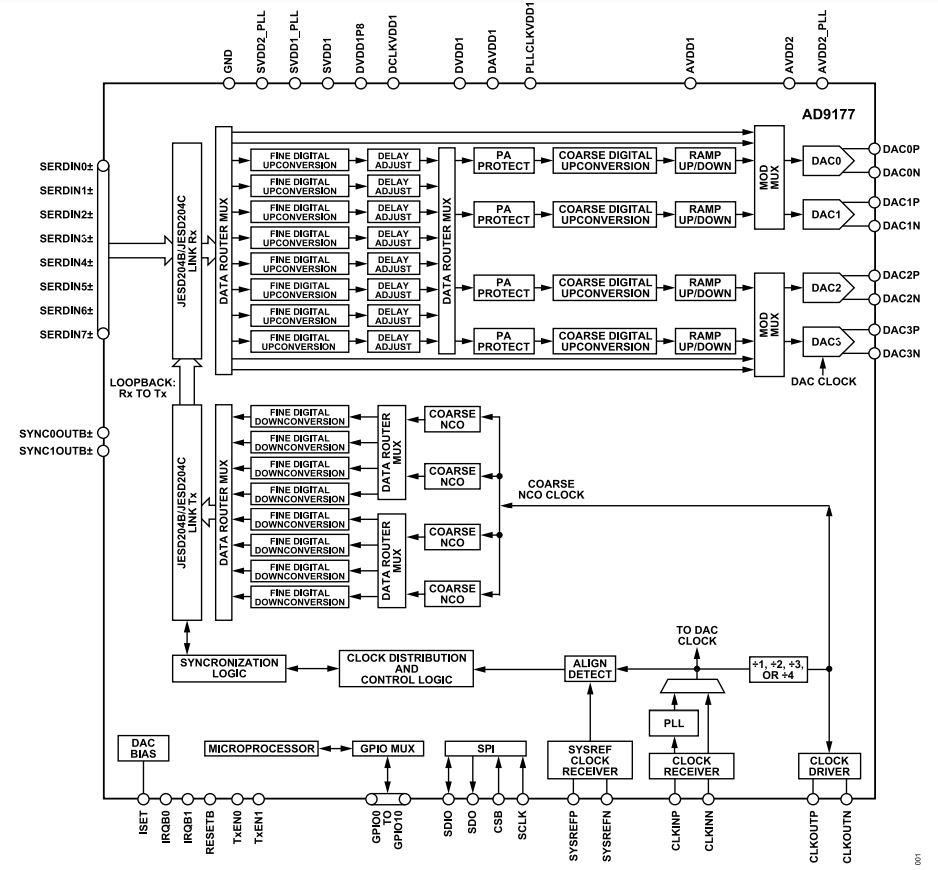
Analog Devices Inc. AD9177 16位DAC (带宽带信道发生器)提供灵活的可重新配置的公共平台设计。AD9177是一款高度集成的器件,具有四个16位、12 GSPS最大采样率和射频数模转换器 (DAC) 内核,支持多达八个基带通道。该器件集成有8通道、24.75Gbps JESD204C或15.5Gbps JESD204B数据接收器 (JRx) 端口、片上时钟倍频器和数字信号处理 (DSP) 数据路径。这些数据路径可以旁路,以便在数据接收器端口和DAC内核之间实现直连。DSP数据路径能够处理宽带或多频段直接到射频应用、相位阵列雷达系统和电子对抗应用的复杂信号。AD9177 DAC无需数据接收器端口即可工作,从而在直接数字合成 (DDS) 应用中产生多个不同频率的正弦波音调。辅助 特性包括低延迟环回模式、快速跳频、功率放大器下行保护电路、片上温度监控单元和灵活的GPIO引脚。典型应用包括无线通信基础设施、微波点对点、E频段、5G毫米波、DOCSIS 3.1和4.0 CMTS、宽带通信系统以及相控阵雷达和电子对抗。
特性
- 灵活的、可重新配置的公共平台设计:
- 四个DAC内核,连接到各种DSP和旁路数据路径
- 支持单、双和四频段
- 数据路径和DSP块完全可旁路
- 片上PLL,具有多芯片同步功能
- 外部RFCLK输入选项,用于片外PLL
- DAC交流性能(12 GSPS时):
- 满量程输出电流范围:6.43mA至37.75mA
- 双音调IMD3:-78.9dBc(每个音调-7dBFS)
- 单音调NSD:-155.1dBc/Hz(3.7GHz时)
- 单音调SFDR:-70dBc(3.7GHz时)
- 多种数字特性:
- 可选插值滤波器
- 可配置或可旁路DUC
- 8个细复杂DUC和4个粗复杂DUC
- 每个DUC 48位NCO
- 可选择绕过细粗DUC
- 每条数据通道的可编程延迟
- 发射DPD支持
- 细DUC通道增益控制和延迟调整
- 最大DAC采样率高达12 GSPS:
- 使用JESD204C时,最大数据速率高达12 GSPS
- 可用模拟带宽高达8GHz
- 负载特性:
- 直接数字合成和快速跳频
- 低延迟环回模式(接收数据路径NCO输出可路由至传输数据路径)
- 功率放大器下行保护电路
- 芯上温度监控单元
- 灵活的GPIO引脚
- TDD节能选项
- SERDES JESD204B/JESD204C接口:
- 8通道JESD204B/C接收器 (JRx)
- JESD204B符合最大15.5Gbps标准
- JESD204C符合最大24.75Gbps标准
- 支持真实或复杂的数字数据(8位、12位、16位或24位)
- 15mm × 15mm、324焊球BGA,间距为0.8mm
应用
- 无线通信基础设施
- 微波点对点、E频段和5G毫米波
- 宽带通信系统
- DOCSIS 3.1和4.0 CMTS
- 相控阵雷达和电子对抗
- 电子测试与测量系统
功能框图
发布日期: 2021-09-03
| 更新日期: 2025-02-21
