AD9375收发器可实现3G/4G小蜂窝和大规模多入多出 (MIMO) 设备所需的多种高性能低功耗组合。3G/4G小型蜂窝和MIMO设备非常适合用于频分双工 (FDD) 和时分双工 (TDD) 应用。
AD9375的工作范围为300MHz到6000MHz,可覆盖大部分许可和免许可蜂窝频段。利用DPD算法可对高达40MHz的信号带宽进行线性化处理,具体取决于功率放大器 (PA) 特性。AD9375收发器还支持高达100MHz的Rx带宽。另外,AD9375支持的观察接收器 (ORx) 和发射器 (Tx) 合成带宽高达250MHz,可适应数字校正算法。利用AD9375宽带射频收发器,用户可以针对4G小型蜂窝和5G前大规模MMIO系统开发无线电应用。
特性
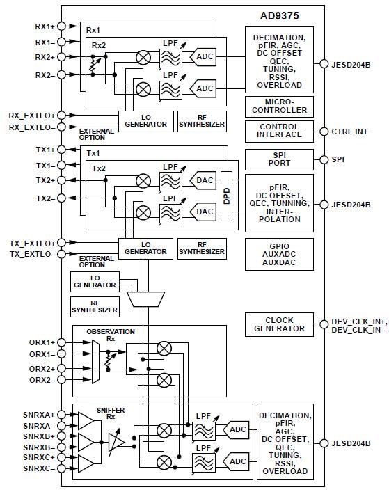
- 双差分发射器 (Tx)
- 双差分接收器 (Rx)
- 带有2路输入的观察接收器
- 完全集成的超低功耗DPD励磁器和适合PA线性化的自适应引擎
- 带有3路输入的嗅探接收器
- 调谐范围:300MHz至6000MHz
- 线性化信号BW至40MHz
- 发射器合成BW至250MHz
- 接收器BW:8MHz至100MHz
- 支持FDD和TDD操作
- 完全集成的独立小数N分频射频合成器,可用于
- 发射器 (Tx)、接收器 (Rx)、观察接收器 (ORx) 和时钟生成
- JESD204B数字接口
应用
- 3G/4G小型蜂窝基站 (BTS)
- 3G/4G大规模MIMO/有源天线系统
框图
视频
发布日期: 2017-10-27
| 更新日期: 2025-06-12

