ADI ADA4098-1/-2 Over-The-Top输入级可针对恶劣的环境提供文件的输入保护功能。该输入可耐受高达80V差分电压,且不会损坏或降低直流精度。工作共模输入范围从轨到轨及以上扩展,高达70V>–VS,与+VS电源无关。
ADA4098-1/-2单位增益稳定,可驱动高达20mA负载。该运算放大器还可驱动高达200pF的容性负载。该器件还提供低功耗关断功能。
ADA4098-1采用标准6引脚薄型小外形晶体管 (TSOT) 封装。ADA4098-2提供有8引脚标准小外形 (SOIC_N) 封装、8引脚迷你小外形封装 (MSOP) 和10引脚引线框架芯片级封装 (LFCSP)。
特性
- 超宽共模输入范围:−VS−0.1V至−VS+70V
- 宽电源电压范围:+3V至+50V(PSRR为±25V)
- 低电源电流:165μA(典型值)
- 低输入失调电压:±30µV(最大值)
- 低输入失调电压漂移:±5μV/°C(最大值,B级)
- 低输入电压噪声
- 1/f噪声角:6Hz(典型值)
- 400nV峰-峰(典型值,在0.1Hz至10Hz)
- 17nV/√Hz(典型值,在100Hz)
- 高速
- GBP(fTEST=2.5kHz时):1.05MHz(典型值)
- 压摆率(在ΔVOUT=25V):0.85V/μs(典型值)
- 低电源电流关断:20μA(最大值)
- 低输入失调电流:±700pA(最大值)
- 大信号电压增益 (ΔVOUT=4V时):126dB(最小值)
- CMRR(VCM=−0.1V至+70V时):123dB(最小值)
- PSRR(VSY=+3V至±25V):123dB(最小值)
- 可耐受输入过驱动,无相位反转
- ±4kV HBM和±1.25kV FICDM
- 宽温度范围:−55°C至+150°C(H级)
应用
- 工业传感器调理
- 电源电流感测
- 电池和电源监视
- 恶劣环境中的前端放大器
- 4mA至20mA发送器
典型应用电路
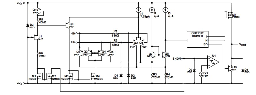
简化示意图
发布日期: 2021-08-16
| 更新日期: 2022-04-24

