特性
- 简单易用的μModule® 数据采集系统:
- 占位面积比分立式解决方案小11倍
- 集成关键无源元件
- 5 V 单电源操作
- 确保16位无失码
- 片上过采样功能
- 2位分辨率升压
- 超出范围指示器(警报)
- INL:±0.85LSB(典型值),±2LSB(最大值)
- SNR(典型值):
- 90.8dB(增益 = 1.0, fIN = 1kHz时)
- 97.5dB(OSR = ×8,增益 = 1.0,fIN = 1kHz时)
- 通道间相位匹配:0.005°(典型值,fIN = 20kHz时)
- 集成高精度基准,3ppm/°C典型漂移
- 增益误差:0.01%(典型值)
- 增益漂移:0.8 ppm/°C(典型值)
- 集成内部缓冲器,具有VCM生成功能
- 集成全差分ADC驱动器,具有信号调节功能
- 宽输入共模电压范围
- 高共模抑制
- 单端至差分转换
- 引脚可选输入范围,超范围:
- 输入范围:±2V、±3.3V、±5.5V、±11V
- 增益/衰减:G = 0.3、0.6、1.0和1.6
- 高速串行接口
- 8mmx8mm、0.8mm脚距、81焊球CSP_BGA封装
应用
- 实验室级电池测试系统
- 电机控制电流检测
- 电机控制位置反馈
- 声纳
- 电力质量监控
- 数据采集系统
- 掺饵光纤放大器(EDFA)应用
- I和Q解调
典型应用图
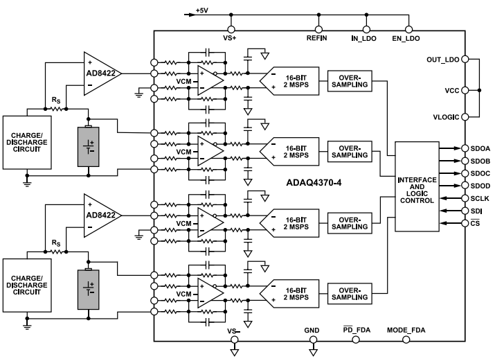
框图
发布日期: 2024-11-05
| 更新日期: 2025-03-14

