特性
- 简单易用的μModule® 数据采集系统:
- 占位面积比分立式解决方案小11倍
- 集成关键无源元件
- 5 V 单电源操作
- 确保14位无失码
- 片上过采样功能
- 2位分辨率升压
- 超出范围指示器(警报)
- SNR(典型值):
- 85dB(增益= 1,fIN = 1kHz时)
- 92.4dB(OSR = x8,增益= 1,fIN = 1kHz时)
- 通道间相位匹配:0.005°(fIN = 20kHz时的典型值)
- 集成高精度基准,3ppm/°C典型漂移
- 增益误差:0.003%(典型值)
- 增益漂移:0.8 ppm/°C(典型值)
- 集成内部缓冲器,具有VCM生成功能
- 集成全差分ADC驱动器,具有信号调节功能:
- 宽输入共模电压范围
- 高共模抑制
- 单端至差分转换
- 高速串行接口
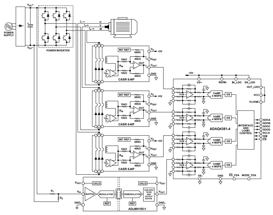
应用
- 实验室级电池测试系统
- 电机控制电流检测
- 电机控制位置反馈
- 声纳
- 电力质量监控
- 数据采集系统
- 掺铒光纤放大器 (EDFA) 要求
- I和Q解调
应用电路图
发布日期: 2025-01-27
| 更新日期: 2025-03-14

