Analog Devices Inc. ADE9178能量管理DSP
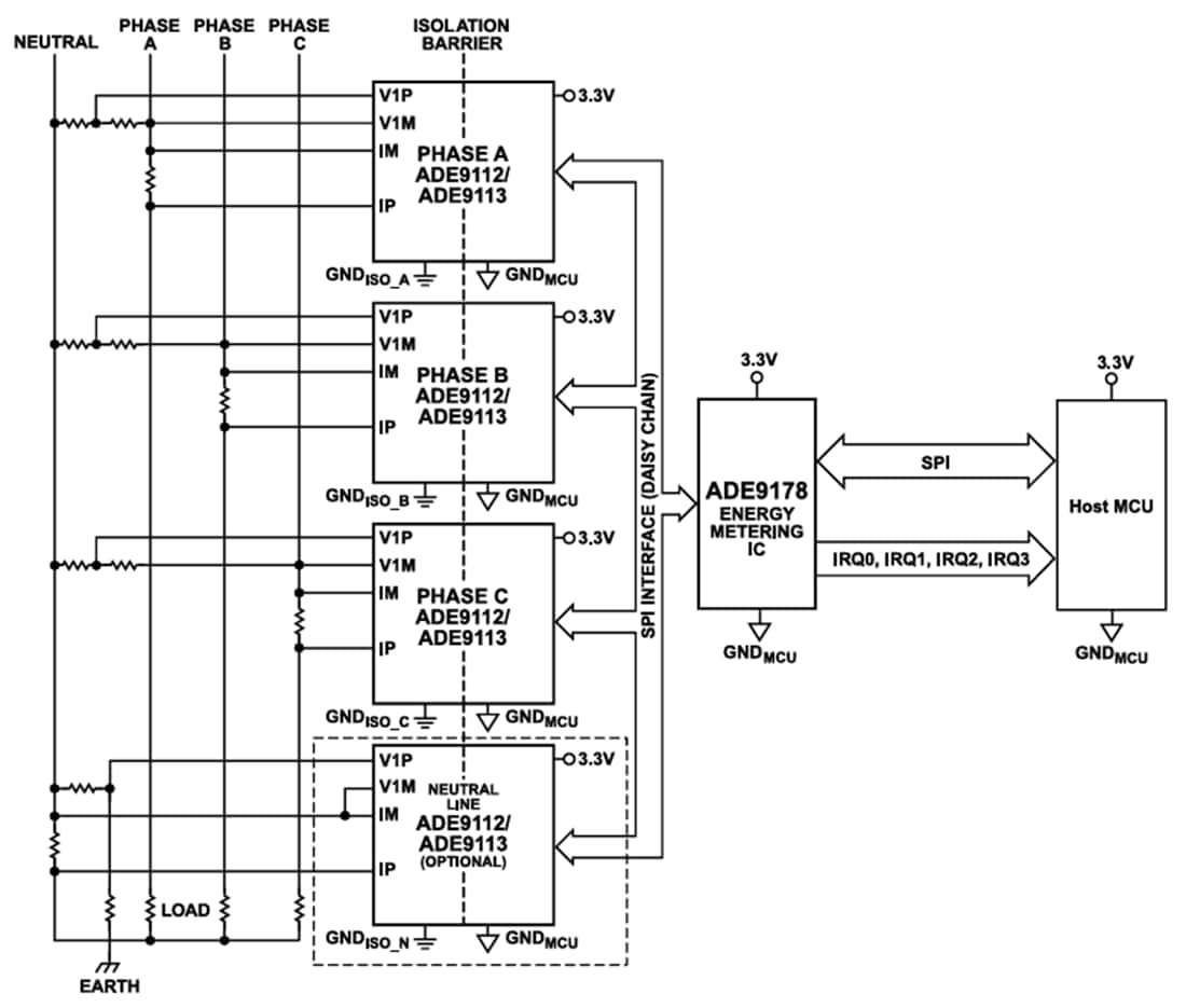
Analog Devices ADE9178能量管理DSP是一款计量数字信号处理器(DSP),搭配ADE9113/ADE9112/ADE9103 Σ-Δ模数转换器(ADC)使用。ADE9178是一款高精度、三相电能测量IC,主要用于电动汽车供电设备(EVSE)市场,具有串行外设接口(SPI)和两个灵活的脉冲输出。ADE9178可通过SPI协议与多达四个菊花链ADE9113/ADE9112/ADE9103器件连接。ADE9178集成了执行总有功电能、视在功率测量和均方根(RMS)计算所需的所有信号处理功能。固定功能DSP执行该信号处理。Analog Devices ADE9178采用40引脚扁平无引线封装。特性
- 计量芯片,可搭配以下AFE的任意组合使用
- 可通过4线SPI支持多达四个ADE9113/ADE9112/ADE9103菊花链ADC(最多支持12个ADC数据通道)
- 4线SPI,用于高达25MHz主机MCU通信
- 总有功电能计算
- C类精度(0.5%)支持以下特性:
- MID 2014/32/EU附件五
- EN 50470-1:2006
- EN 50470-3:2006
- EN 50470-3:2022
- IEC 62052-11:2020
- IEC 62053-21:2020
- OIML G 22:2022
- NIST手册44:2023
- 使用滤波RMS计算总视在功率
- 能量累积、导入和导出,用于反向电源/车辆到电网(V2G)应用
- 可配置相位、增益和偏移校准寄存器,用于所有ADC通道
- 基本电源质量特性
- 短时欠压或过压(DIP/swell)检测
- 短时欠流或过流(DIP/swell)检测
- 线路频率计算,精度为10MHz
- 相位电压和电流之间的角度
- 功率因数计算
- 两个可配置校准频率(CF)脉冲输出
- 可配置无负载检测
- 相位序列检测
- 所有ADC通道上均具有全周期、半周期和滤波RMS
- 支持的频率范围:45Hz至65Hz
- 四个用户可编程中断输出(IRQ)
- PEN开路故障检测(BS 7671:2018修正案1:2020)
- 通过UART发射引脚进行波形流
- 数据路径多路复用,允许任何ADC数据用于任何数据处理路径
- 温度范围:-40°C至+105°C
- 采用5mm×5mm、40引脚TQFN-EP封装
应用
- 电动汽车供电设备
- 基于分流的多相电表
- 太阳能逆变器
- 电能和电源监控
典型应用电路
发布日期: 2024-11-08
| 更新日期: 2024-11-18
