ADES175x系统包括可单独配置的安全警报,如过压、欠压、温度过高和过低故障警报。这些系统工作的最大电源电压为65V,工作的温度范围为-40°C至+105°C。ADES175x系统用在电动汽车充电、电池电动工具、超级电容系统、高压电池组和住宅电池储能系统中。
特性
- 冗余的ADC和比较器 (COMP) 采集
- 同时采集电池和母线电压
- 14个电池电压测量通道
- 精度:2.2mV/5mV/10mV(-40°C至105°C)
- 1.8 mV精度(5 °C至65 °C)
- 14个电池平衡开关:
- 软件可编程平衡电流>300mA
- 通过电池电压实现自动平衡
- 通过单节电池定时器实现自动平衡
- 紧急放电模式
- 电池管理UART协议
- 感应式,实现更高电流隔离
- 高达2 Mbps波特率(自动检测)
- 每个器件1.5μs传播延迟
- 以菊花链方式连接多达32个器件
- 数据包错误检查 (PEC)
- 六个可配置辅助输入,用于温度、电压或GPIO
- 集成式裸片温度测量
- 耐热插拔,无需外部保护
- UART和双UART接口
- I2C控制器
- 32位唯一设备ID
- 可单独配置的安全警报:
- 1节不匹配警报
- 过压和欠温故障
- 欠压和过热故障
- 最大电源电压:65 V
- 超低功耗运行
应用
- 电池备份系统 (UPS)
- 高压电池组
- 住宅电池储能系统
- 超级电容器系统
- 电池供电型工具
- 电动汽车充电
视频
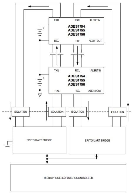
典型应用图
发布日期: 2024-02-07
| 更新日期: 2024-08-30

