Analog Devices Inc. ADG6404模拟4:1多路复用器

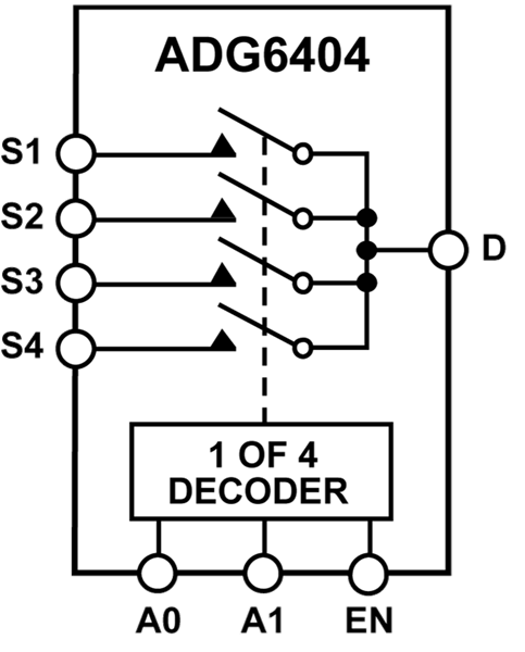
Analog Devices ADG6404模拟4:1多路复用器根据3位二进制地址线A0、A1和EN所确定的地址,将四路输入之一切换至公共输出D。开关具有先断后合开关操作,用于多路复用器应用。每个开关的输入信号范围为VSS 至VDD -2V,接通时各通道在各方向的导电性能相同。当开关被禁用时,高达电源电压的信号电平被阻断。

Analog Devices ADG6404的数字输入与5V、3.3V和1.8V逻辑输入兼容,无需单独的数字逻辑电源引脚。导通电阻曲线在整个模拟输入范围内特别平坦,确保切换音频信号时线性度好、失真低。

特性

  • 低RON :0.62Ω
  • 高持续电流:高达847mA
  • 整个信号范围内RON 平坦:0.003Ω
  • -100 dB 下 1 kHz 的总谐波失真
  • 逻辑兼容性:1.8V、3.3V和5V
  • 16引线4mm × 4mm LFCSP封装,与 ADG5404ADG5404F 引脚对引脚兼容
  • 额定电压:±20 V和+36 V
  • 搭配非对称电源工作
  • VSS 至VDD -2V的模拟信号范围

应用

  • 自动化测试设备
  • 数据采集
  • 仪器
  • 航空电子
  • 音视频转换
  • 通信系统
  • 继电器替代品

功能框图

框图 - Analog Devices Inc. ADG6404模拟4:1多路复用器
发布日期: 2025-05-29 | 更新日期: 2026-02-25