ADI ADHV4710可为高压信号链提供广泛的可配置性。该放大器在高增益下达到高压摆率和带宽,也可配置为低增益,以实现高压输入和输出。外部跨导电阻RSLEW 有助于在任何增益和可调压摆率下保持稳定性。外部补偿电容器CCOMP 可使放大器输出稳定地驱动无限容性负载。
特性
- 高输出能力
- IOUT = ±100mA时,输出电压范围高达±52V
- ±1A连续高输出电流驱动
- 高压摆率:±1300V/μs(驱动1nF负载)
- 故障保护和监控,具有数字可编程电流、电压和热关断限制
- 设计入选过程友好
- 80引脚、12mm x 12mm TQFP封装
- 裸露焊盘朝上 (EPAD-up) 封装,用于安装散热片
- 80引脚、12mm x 12mm TQFP封装
- 宽高压电源电压范围:±12V至±55V
- 低静态电流:12 mA
- 广泛的可配置性
- 无限的容性负载稳定性,具有外部补偿和输出转换率限制
- 由于配备了外部跨导电阻RSLEW,在任何增益和可调压摆率下都可保持稳定
- 可编程电源电流,具有关断模式
- 工作温度范围:-40 °C至+85 °C
应用
- 高压功率放大器(PA)
- 高压SMU/VI电源
- 高压任意波形发生器(AWG)
- 压电换能器驱动器
- 可编程电源
大信号脉冲响应
简化功能框图
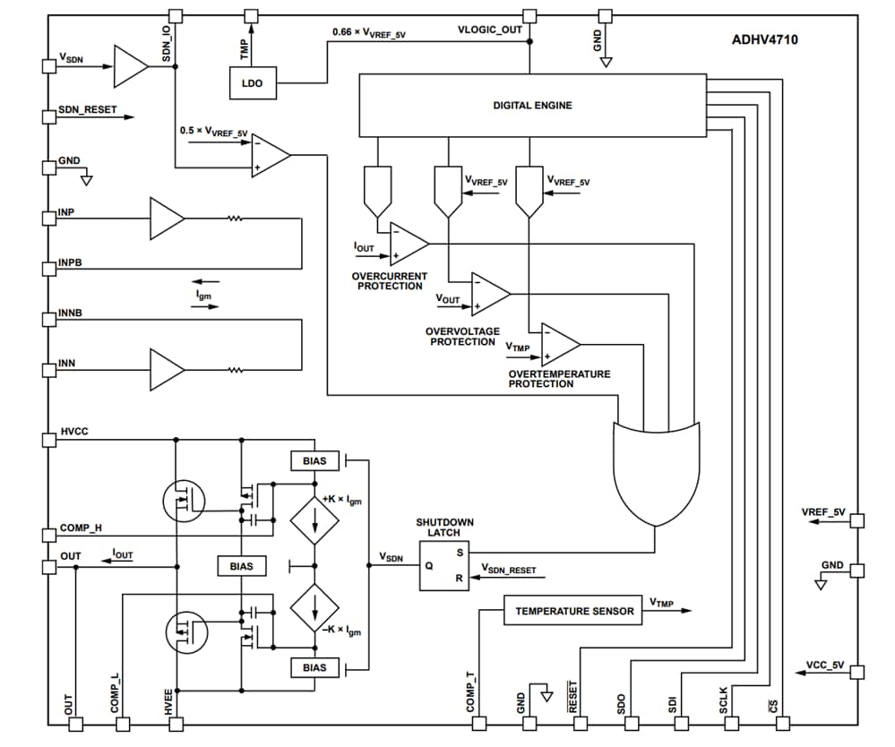
功能框图
发布日期: 2025-05-02
| 更新日期: 2025-05-26

