特性
- 用于ADL6012的全功能评估板
- 额定频率高达67GHz
- 工作电压:3.15V至5.25V
- SMA连接器,用于RF IN、VEH+和VEH-
应用
- 包络跟踪
- 微波点对点链路
- 微波仪器仪表
- 军用无线电
- 脉冲雷达接收器
- 宽带功率放大器线性化
必要设备
- 模拟信号发生器高达67GHz
- 高速示波器
- DC电压表
- 5 V电源
- 差分探头
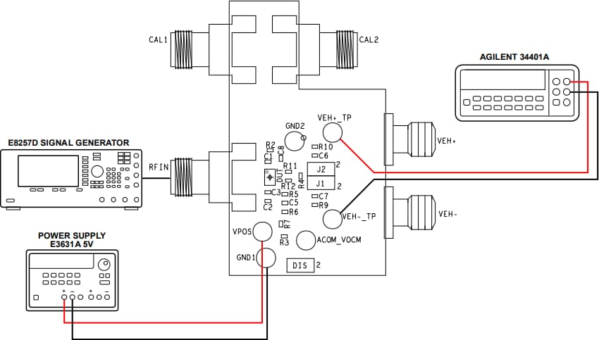
典型DC测量设置
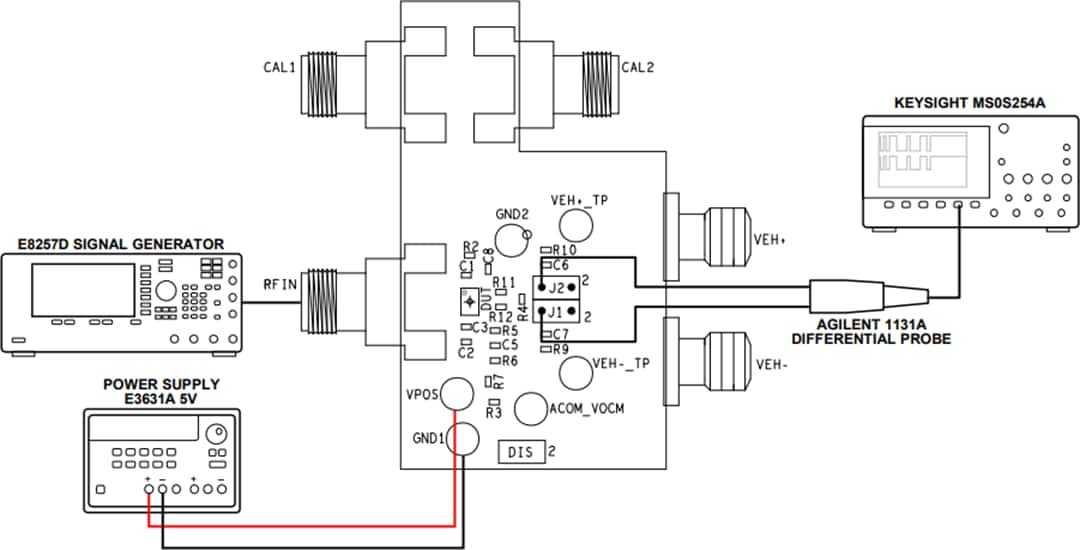
包络测量
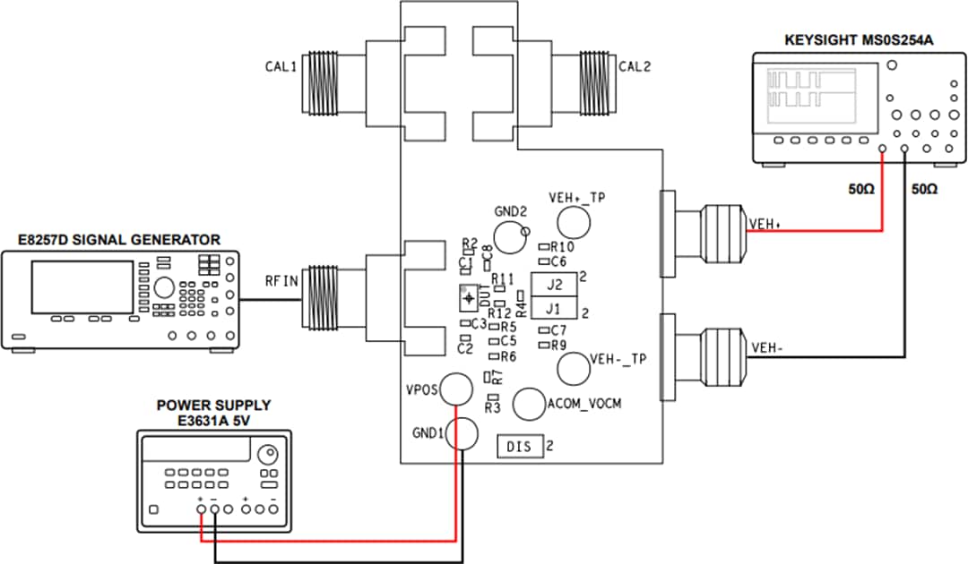
差分包络输出
发布日期: 2020-07-06
| 更新日期: 2024-10-18

