特性
- 用于 ADL6331-EVALZA 的全功能评估板
- 单电源操作
- 易于使用的界面,带分析 | 控制 | 评估 (ACE) 软件
必要设备
- 3.3 V直流电源
- EVAL-SDP-CS1Z (SDP-S)
- 信号发生器
- 频谱分析仪
- 网络分析仪(可选)
- 微软Windows PC,带USB端口
软件
- ACE软件
- ACE ADL6331插件软件
典型测量设置
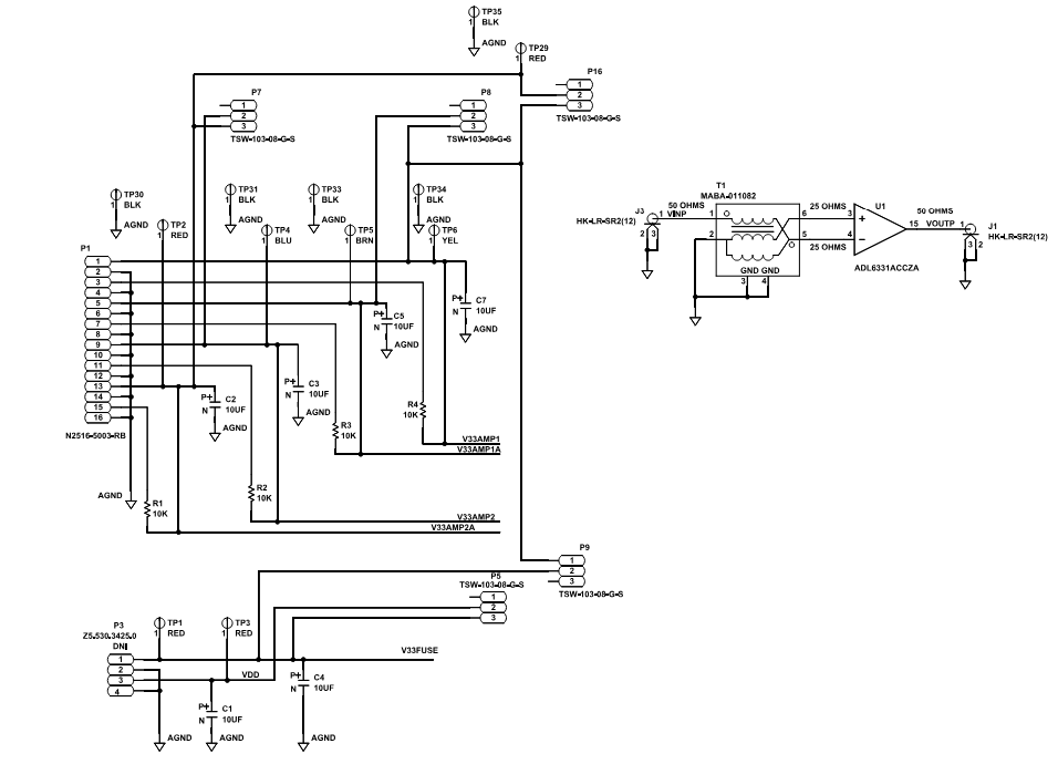
原理图
布局
发布日期: 2024-05-07
| 更新日期: 2024-06-25

