Analog Devices Inc. ADL8102-EVALZ 评估板

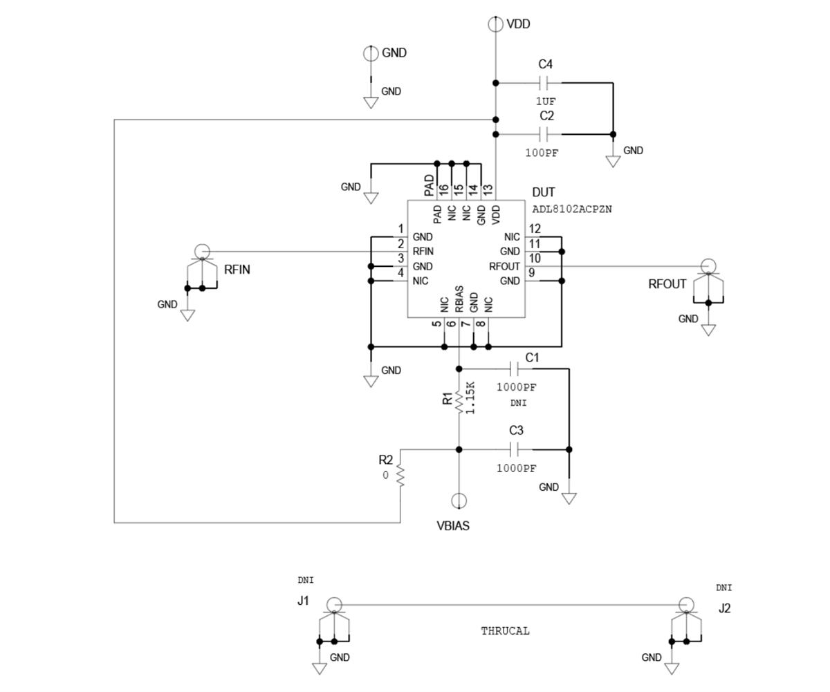
Analog Devices ADL8102-EVALZ评估板是一款2层印刷电路板 (PCB),设计采用10mil厚Rogers 4350B铜包覆。ADL8102-EVALZ RFIN 和RFOUT 端口采用2.9mm母同轴连接器,相应的射频迹线具有50Ω特性阻抗。

ADI ADL8102-EVALZ的元件非常适合用于-40°C至+85°C的总工作温度范围。

特性

  • 2层Rogers 4350B评估板
  • 末端装接型2.9mm射频连接器
  • 直通校准路径(未装配)

应用

  • 电信
  • 卫星通信
  • 军用雷达
  • 天气雷达
  • 民用雷达
  • 电子战

必要设备

  • 射频信号发生器
  • 射频频谱分析仪
  • 射频网络分析仪
  • 5V、500mA电源

布局

位置电路 - Analog Devices Inc. ADL8102-EVALZ 评估板

原理图

原理图 - Analog Devices Inc. ADL8102-EVALZ 评估板
发布日期: 2023-12-18 | 更新日期: 2024-01-30