Analog Devices Inc. ADL8103-EVALZ 评估板
Analog Devices Inc. ADL8103-EVALZ评估板是一款用户友好型平台,用于评估工作频率范围为6GHz至12GHz的ADL8103宽带低噪声放大器。 Analog Devices ADL8103-EVALZ板优化用于性能测试和特性描述,设有带50Ω RF输入和输出迹线的双层印刷电路板、便于连接的SMA连接器,以及可确保最小信号损失和失真的稳健布局。该板包括偏置电路,可实现灵活的电源电压配置,因此适合用于各种RF应用。该评估板设计紧凑,设置简单,成为希望将 ADL8103集成到系统中或在实验室环境中评估其功能的工程师和设计师的理想选择。特性
- 4层Rogers 4350B和Isola 370HR评估板
- 末端装接型2.92mm母头射频连接器
- 直通校准路径(未装配)
- 50Ω RF输入和输出迹线
- 工作温度范围:-55 °C至+125 °C
应用
- 测试仪器仪表
- 军用通信
- 雷达
必要设备
- RF信号发生器
- RF频谱分析仪
- 20dB、1W RF衰减器
- 20dB RF耦合器(可选)
- RF功率计和功率传感器(可选)
- RF网络分析仪
- 5 V、300 mA电源
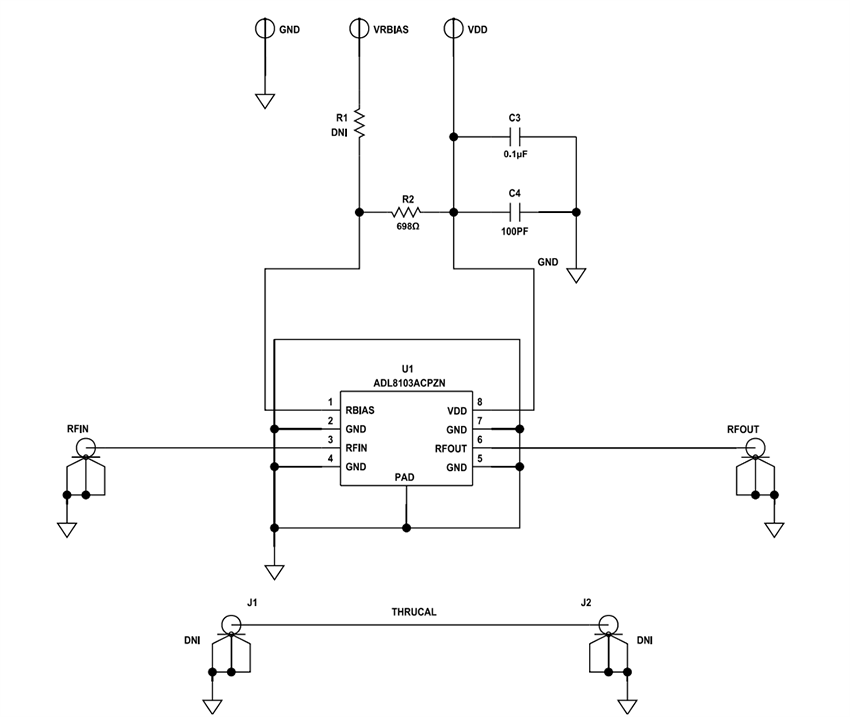
原理图
测试设置图
发布日期: 2025-05-23
| 更新日期: 2025-05-28
