Analog Devices Inc. ADM256xE RS-485收发器
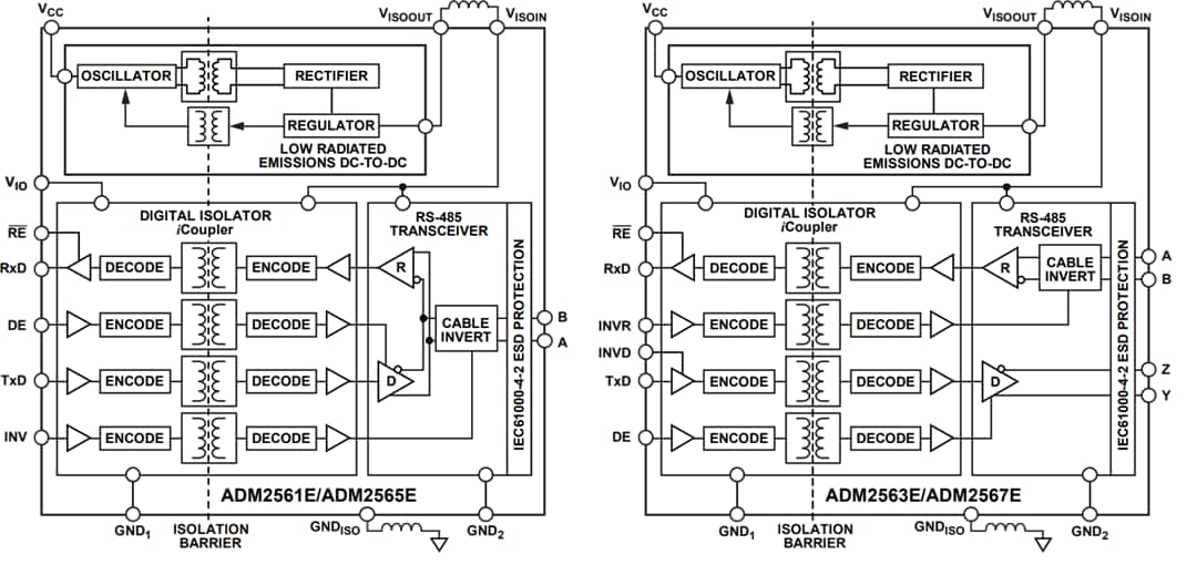
Analog Devices Inc. ADM2561E、ADM2563E、ADM2565E和ADM2567E RS-485收发器是3kVRMS 信号和电源隔离器件,带有集成的DC-DC转换器,优化用于实现低电磁干扰 (EMI)。集成的DC-DC转换器无需外部隔离电源。该隔离栅可按照系统级电磁兼容性 (EMC) 标准提供抑制。ADM2561E、ADM2563E、ADM2565E和ADM2567E型号在RS-485 A、B、Y和Z引脚上提供符合IEC61000-4-2标准的±12kV接触和±15kV空气ESD保护。该器件还具有电缆反转引脚,让用户能够快速纠正A、B、Y和Z总线引脚上的反向电缆连接,同时保持完整的接收器故障安全性能。可提供压摆率受限版本,优化用于长电缆传输中的低速运行,其最大数据速率为500kbps。还提供半双工和全双工型号。全双工通用型号支持驱动器和接收器的独立电缆反转,提高灵活性。
Analog Devices ADM2561E、ADM2563E、ADM2565E和ADM2567E RS-485收发器采用28引脚宽体SOIC封装。
特性
- 3kVRMS 隔离式RS-485/RS-422收发器
- 低辐射、集成隔离式直流-直流转换器
- 符合EN 55032 B类标准,在2层PCB上具有裕度
- 电缆反相智能特性,A、B、Y和Z总线引脚上的正确反向电缆连接,同时保持完整的接收器故障安全功能
- RS-485 A、B、Y和Z引脚提供ESD保护
- ≥±12kV IEC61000-4-2接触放电
- ≥±15kV IEC61000-4-2空气放电
- 数据传输速率
- 高速25Mbps(ADM2565E和ADM2567E)
- 低速500kbps数据速率,用于EMI控制(ADM2561E和ADM2563E)
- 柔性电源
- 输入VCC 电源:3.0V至5.0V
- 逻辑VIO 电源:7.0V至5.5V
- VSEL 引脚,用于选择5.0V (VCC > 5.0V) 或3.3V VISO 电源
- 符合PROFIBUS标准,5.0VVISO
- 高共模瞬态抑制:250kV/µs
- 短路、开路和浮动输入接收器故障安全
- 支持196总线节点(接收器输入阻抗:72kΩ)
- 完全支持热插拔(无毛刺上电/关断)
- 安全和法规批准(进行中)
- CSA元件认可通知5A
- DIN V VDE V 0884-11
- UL 1577
- CQC11-471543-2012
- IEC 61010-1
- 宽工作温度范围:-40°C至+105°C
- 28引脚,小间距SOIC_W封装,10.15mm x 10.05mm
应用
- HVAC(采暖、通风和空调)网络
- 工业现场总线
- 楼宇自动化
- 公用设施网络
- 能量计
产品型号
框图
包装外形
发布日期: 2020-07-08
| 更新日期: 2024-10-18
