Analog Devices Inc. ADM4853 RS-485/RS-422 收发器
Analog Devices ADM4853 RS-485/RS-422 差分线路收发器设计用于多点总线传输线路的高速、半双工和全双工数据通信。 该收发器可进行平衡数据传输,符合 EIA 标准 RS-485 和 RS-422。 这个半双工收发器共用差分线路,驱动器和接收器各自具有独立的启用输入。 该收发器具有 1/8 单位负载接收器输入阻抗。 这允许一条总线最多连接 256 个收发器。 任一时间仅使能一个驱动器。 禁用或关断驱动器的输出处于三态,避免总线过载。 接收器输入具有真故障安全特性。 当输入短路或开路时,故障安全功能确保逻辑高输出电平。 这样,通信开始之前及结束时,可保证接收器输出处于已知状态。 为了减小端接不当总线的反射所引起的电磁辐射(EMI)和数据误差,驱动器输出压摆率受限。 热关断电路可防止汇流排冲突或输出短路导致功耗过大。The disabled or powered down driver's output is three-stated to avoid overloading the bus. The receiver inputs include a true fail-safe feature. The fail-safe feature ensures a logic high output level when the inputs are shorted or open. This guarantees that the receiver outputs are in a known state before communication begins and when communication ends. The driver outputs are slew-rate limited to reduce EMI and data errors caused by reflections from improperly terminated buses. A thermal shutdown circuit prevents excessive power dissipation caused by bus contention or by output shorting.
特性
- Electronics industries alliance (EIA) RS-485/RS-422 compliant
- Data rate: 10Mbps
- Half-duplex and full-duplex options
- Reduced slew rates for low electromagnetic interference (EMI)
- True fail-safe receiver inputs
- 5μA (maximum) supply current in shutdown mode
- Up to 256 transceivers on one bus
- Outputs high-Z when disabled or powered off
- -7V to +12V bus common-mode range
- Thermal shutdown and short-circuit protection
- Specified over the -40°C to +85°C temperature range
- Qualified for automotive applications
应用
- Low power RS-485 applications
- EMI sensitive systems
- DTE to DCE interfaces
- Industrial control
- Packet switching
- Local area networks
- Level translators
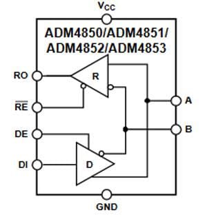
Functional Block Diagram
发布日期: 2016-10-31
| 更新日期: 2022-03-11
