Analog Devices Inc. ADMT4000真正上电多圈位置传感器
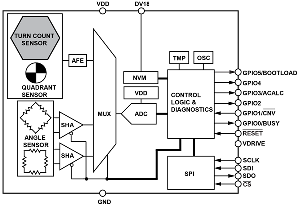
Analog Devices ADMT4000真正上电多圈位置传感器是一款磁性旋转计数传感器,即使在设备断电时也能记录磁性系统的旋转次数。上电后,可通过SPI查询设备以获取系统的绝对位置信息。ADMT4000可对外部磁场进行多达46圈的计数,并以顺时针方向增加绝对位置。Analog Devices ADMT4000真正上电多圈位置传感器包括一个巨磁电阻 (GMR) 旋转计数传感器(用于计算系统旋转次数)、一个GMR象限检测传感器和一个各向异性磁阻 (AMR) 角度传感器。AMR角度传感器配合GMR象限检测传感器一起使用,可确定系统在360° 范围内的绝对位置。通过将GMR转数传感器与AMR角度传感器输出相结合,此设备能够以高角度精度报告系统位置。特性
- 真正上电多圈计数器
- 46-turn磁传感器
- 磁性复位顺时针正计数
- 数字输出: > 16 K°
- 精度:±0.25 °
- 100kSPS测量更新速率
- 工作范围:16mT至31mT
- 内部温度传感器
- IC电源:3.3V
- 1.8V至5V SPI接口
- 24引脚TSSOP封装
- 结温范围:-40 °C至+150 °C
应用
- 无需电源即可检测并存储旋转次数
- 非接触式绝对位置测量
- 无刷直流电机控制与定位
- 执行器控制和定位
视频
方框图
评估板的信息
资源
发布日期: 2022-11-09
| 更新日期: 2025-09-30
