特性
- 升压分流控制器
- 集成升压分流驱动器
- 可编程功率检测阈值
- 降压稳压器
- 可调输出电压范围:4.5V至36V
- 输入电压范围:4.5V至36V
- 500mA连续输出电流
- 工作电压电流:1.35mA
- 固定输出选项:3.3V和5V
- 固定开关频率:1.2MHz
- 低至0.6V的可调节输出电压
- 电压监控和开漏重置输出
- 4个可编程增益放大器
- 低功耗
- 可编程增益和输出直流常见电压
- 低失调运算放大器,用于泄漏和接地故障电流检测
- 模拟跳闸电路,具有可编程跳闸阈值
- 执行器驱动器输出
- 采用32引脚LFCSP或48引脚LQFP封装。
- 结温范围:-40°C至+125°C
应用
- 低压断路器
- CT供电电源
典型应用电路
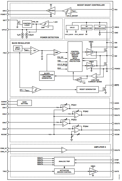
框图
Power By Linear
发布日期: 2019-07-22
| 更新日期: 2024-03-01

