Analog Devices ADP5054 Quad Buck Regulator Integrated Power Solution

亚德诺半导体 ADP5054 集成式四通道降压
调节器电源解决方案

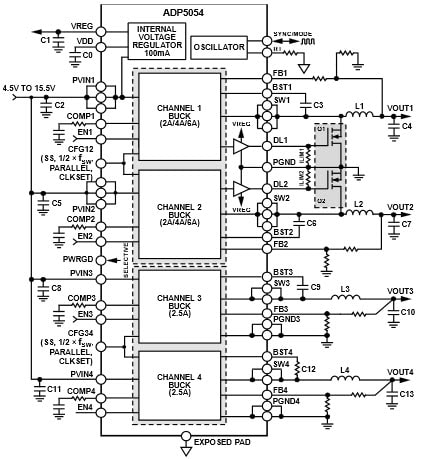
亚德诺半导体 ADP5054 集成式四通道降压调节器电源解决方案 在一个 48 引脚 LFCSP 封装中集成了四个高性能降压调节器。 ADP5054 可满足严苛的性能和电路板空间要求。该 该器件可在不使用前置调节器的情况下直接连接高达 15V 的输入电压。 无需使用前置调节器。

通道 1 和通道 2 集成高边功率 MOSFET 和低边 MOSFET 驱动器。设计人员可使用低侧功率器件中的外部 NFET,以获得效率优化的解决方案,并提供 2A、4A 或 6A 的可编程输出电流。以并联结构方式将通道 1 和通道 2 组合在一起可提供高达 12A 的单路输出电流。

通道 3 和通道 4 集成高边和低边 MOSFET,提供 2.5A 的输出电流。以并联结构方式将通道 3 和通道 4 组合在一起可提供高达 5A 的单路输出电流。

设计人员可将 ADP5054 的开关频率编程或同步至 250 kHz 至 2 MHz 的外部时钟。另外每个通道还可单独配置为 1/2x 频率 。ADP5054 的每个通道均集成一个独立的精密使能引脚,  方便设置上电时序。ADP5054 内部集成 1/f 低噪声基准电压源,供噪声敏感型 应用使用。

ADP5054 集成式四通道降压调节器电源解决方案 适用于 FPGA & 处理器应用、小型蜂窝基 站、安全& 监控及医疗应用。

特点
  • 宽幅输入电压范围:4.5V 到 15V
  • ±整个温度范围上 1.5% 的输出精度
  • 250kHz 至 2MHz 可调节开关频率,带独立 1/2x 频率选项
  • 功率调节
    • 通道 1 和通道 2:可编程 2A/4A/6A 同步降压调节器,集成低侧 FET 驱动器
    • 通道 3 和通道 4:2.5A 同步降压调节器
  • 灵活的并联操作
    • 12A 单通道输出(通道 1 和通道 2 并联操作)
    • 5A 单通道输出(通道 3 和通道 4 并联操作)
  • 低 1/f 噪声密度(约 40µVrms @ 0.8VREF 10Hz 至 100KHz)
  • 精密使能,0.8 V 精确阈值
  • 有源输出放电开关
  • FPWM/PSM 模式选择
  • 频率同步输入或输出
  • 通道1 输出的电源正常标记
  • UVLO、OCP 及 TSD 保护
  • 48 引脚,7mm x 7mm LFCSP
  • −40°C 至 +125°C 工作 温范围
应用
  • FPGA 和处理器应用
  • 小型蜂窝基站
  • 安防与监控
  • 医疗应用

典型应用电路
Typical Application Circuit
eNews
  • Analog Devices Inc.
发布日期: 2015-04-23 | 更新日期: 2025-01-28