Analog Devices ADPA1112-EVALZ具有完全组装和测试的布局,使工程师能够快速评估放大器在实际条件下的能力。该板包括SMA连接器,可轻松实现RF输入和输出接口,以及用于偏置和控制电压的清晰标记的测试点。ADPA1112-EVALZ设计坚固,设置简单,非常适用于航空航天和国防系统、通信基础设施、仪器仪表和软件定义无线电。
特性
- 两层Rogers 4350B评估板(带散热器)
- 端接启动2.92mm射频连接器
- 通过校准路径
- 50Ω RF跟踪特性阻抗
- 50Ω接地共面波导
应用
- 航空航天和国防系统
- 仪器仪表
- 通信设备
- 软件定义无线电(SDR)
- 宽带RF功率放大
必要设备
- RF信号生成器
- RF频谱分析仪
- RF网络分析仪
- 30V、3A电源
- -3V至0V、10mA电源
- 5V、20mA电源
资源
典型工作台设置和运行连接
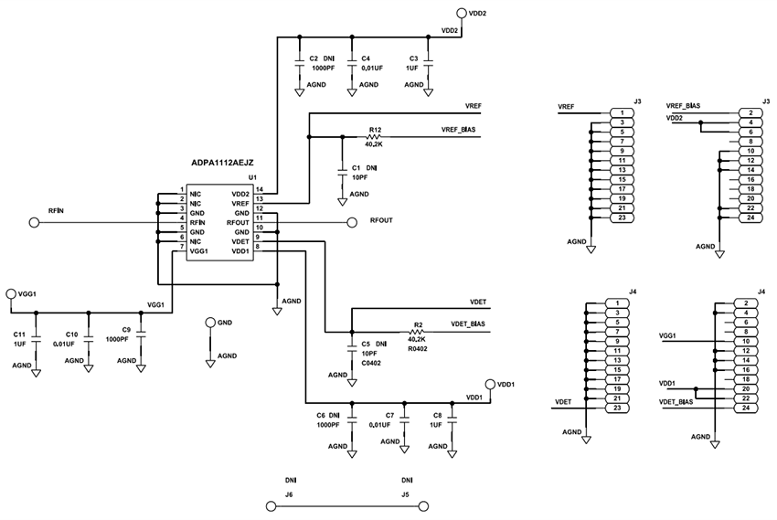
原理图
组装/组件图纸
发布日期: 2025-08-01
| 更新日期: 2025-08-18

