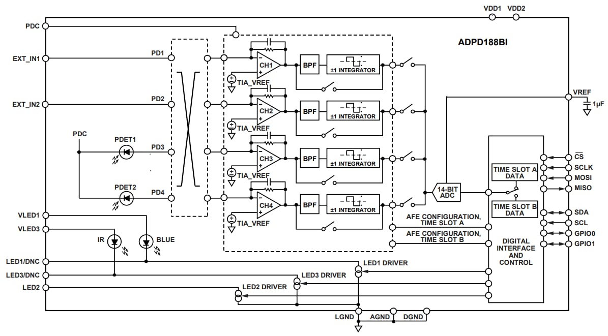
特定应用集成电路 (ASIC) 的前端包括一个控制模块,一个带有20位突发累加器的14位模数转换器 (ADC) 和三个灵活的、可单独配置的LED驱动器。控制电路包括灵活的LED信号传输和同步检测。模拟前端 (AFE) 具有一流的信号失调和破坏抑制功能。信号失调和破坏通常由环境光引起的调制干扰造成。在1.8V I2C 接口或串行外设接口 (SPI) 端口上实现的数据输出和功能配置。
特性
- 3.8 x 5.0×0.9mm模块,配有集成光学元件
- 1个蓝色 LED、1个红外LED和2个光电二极管
- 2个外部输入,用于其他传感器(例如,CO和温度)
- 20位突发累加器支持每个采样周期20位
- 三个370mA LED驱动器
- 板载采样到采样累加器,每次数据读取最多可获取27位
- 适用于信号有限的情况下的优化信噪比 (SNR)
- I2C或SPI通信
视频
框图
技术文章
- Reducing the False Alarm Rate - How Smoke Alarms Can Pass the Hamburger Nuisance Alarm Test
The newly introduced hamburger nuisance test is very hard to pass because the smoke particles from a burnt hamburger patty do not differ that much from normal smoke. Discover why the integrated optical module for smoke detection is a turning point.
其他资源
EVAL-ADPD188BI-ALGO - UL/EN Algorithms Software
EVAL-ADPD188BI-DATA - UL/EN Data Set
发布日期: 2018-08-15
| 更新日期: 2024-08-22

