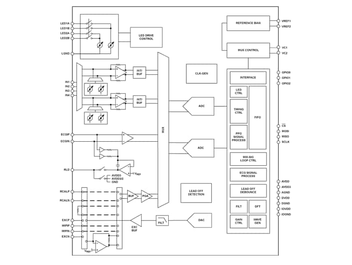
心电图 (ECG) 信号采集设计用于在存在各种干扰因素的情况下支持低噪声和诊断级测量。ECG信号链具有若干支持ECG测量的互补特性,例如用于共模抑制和引线关闭检测的驱动基准,以识别下降的电极。
车身阻抗分析 (BIA) 信号链设计用于车身阻抗测量,具有可配置激励路径和测量路径。激励路径中使用了12位数模 (DAC) 生成正弦波和高精度测量,可配置滤波器用于测量刺激的体响应。
数据输出和功能配置采用ADPD6000上的串行端口接口 (SPI)。控制电路包括灵活的LED信号和同步检测、数字滤波器、数字波形发生器以及可配置滤波器。
ADPD6000采用2.6mm × 2.6mm、0.4mm间距、36焊球晶圆级芯片尺寸封装 (WLCSP)。
特性
- 光学通道
- 4个输入通道,具有多种工作模式,适用于各种传感器测量
- 可同步采样的双通道处理
- 12个可编程时隙,适用于同步传感器测量
- 灵活的输入多路复用,支持单端传感器测量
- 4个LED驱动器,可以同时驱动其中2个
- 灵活采样速率:0.004Hz至9kHz(使用内部振荡器)
- 发射和接收信号链的SNR:117dB(带片外滤波)
- 高达100Hz AC环境光抑制:78dB
- 总LED峰值驱动电流:400mA
- TIA输入处单独环境光抑制DAC,9位控制高达300μA
- TIA输入处单独LED直流消除DAC,7位控制高达190μA
- ECG通道
- 诊断滤波器带宽下RTI噪声:0.75μVrms (150Hz)
- 高输入阻抗:3GΩ
- 接受高达1.2V直流差分输入范围
- 共模抑制比:116dB
- 两电极和三电极配置
- 交流断线检测和直流断线检测
- BIA通道
- 低功耗、高精度激励路径
- 可配置输出频率:高达250kHz
- 正弦波激励,带12位DAC
- 高精度,具有大不平衡触点阻抗
- 可配置接收滤波器,具有低噪声设计
- 复阻抗测量引擎
- 支持外部校准和内部校准
- 支持SPI通信
- 640字节FIFO
应用
- 可穿戴健康和健身监测器:心率、心率变化、SpO2、身体阻抗分析、水合作用、无袖套无创血压
- 家用患者监测
- 工业监测:粒子和气溶胶、气体和导电性检测
框图
发布日期: 2022-07-13
| 更新日期: 2022-07-18

