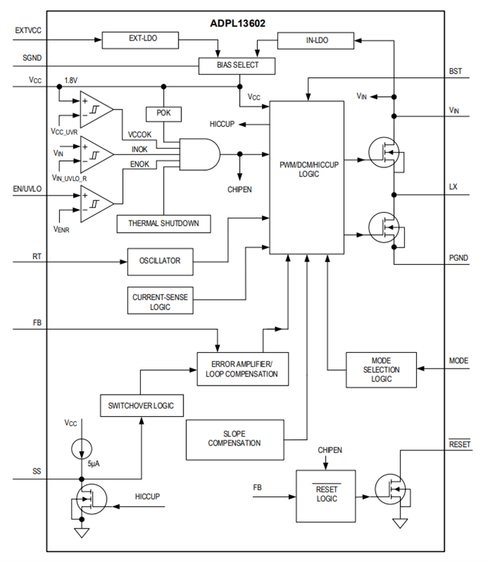
ADI ADPL13602采用峰值电流模式控制架构。ADPL13602可在强制脉宽调制 (PWM) 或断续导通模式 (DCM) 下工作,从而在满载和轻负载条件下实现高效率。ADPL13602具有极短导通时间,可提高开关频率并减小解决方案尺寸。该器件在-40°C至+125°C范围内提供±1.5%反馈电压调节精度。
特性
- 减少外部元件数量,降低总体成本
- 无肖特基同步运行
- 内部补偿元件
- 全陶瓷电容器、紧凑布局
- 减少直流-直流稳压器库存数量
- 宽输入范围:3.5 V至36 V
- 可调输出电压范围:1V至VIN 的90%
- 在整个温度范围内提供高达2.4 A电流
- 可调频率范围:400 kHz至1.5 MHz
- 降低功耗
- 峰值效率:95%
- 宽自举偏置输入(EXTVCC):2.4V至12V,可提高效率
- 在恶劣工业环境中可靠工作
- 断续模式过载保护
- 可调节单调启动,提供预偏置输出电压
- 内置输出电压监控,带RESET
- 可编程EN/UVLO阈值
- 宽工业环境工作温度范围:-40°C至+125°C或结温范围:-40°C至+150°C
应用
- 工业控制电源
- 分布式电源调节
- 壁式变压器调节
- 高压单板系统
简化应用方框图
框图
发布日期: 2024-02-26
| 更新日期: 2025-05-15

