ADI ADRF5043需要+3.3V和-3.3V双电源电压。该器件采用CMOS-和低压晶体管-晶体管逻辑 (LVTTL) 兼容控制。ADRF5043提供启用的逻辑选择控制,分别具有所有断态和端口镜像。ADRF5043与ADRF5046快速开关型号引脚兼容,其工作频率范围为100MHz至44GHz。
ADRF5043硅非反射SP4T开关采用24引脚、3mm × 3mm、符合RoHS指令的焊盘栅格阵列 (LGA) 封装,工作温度范围为-40°C至+105°C。
特性
- 超宽带频率范围:9kHz至44GHz
- 非反射式50Ω设计
- 低插入损耗
- 1.5dB,高达18GHz
- 2.4dB,高达40GHz
- 2.5dB,高达44GHz
- 高隔离度
- 44dB,高达18GHz
- 39dB,高达40GHz
- 36dB,高达44GHz
- 高输入线性度
- 26dBm典型P0.1dB
- 48dBm典型IP3
- 高功率处理能力
- 24dBm(通过路径)
- 24dBm(终止路径)
- 全部关断状态控制
- 逻辑选择控制
- 无低频杂散
- 稳定时间:6ns(0.1dB最终射频输出)
- 24端子、3mm × 3mm LGA封装
- 引脚兼容ADRF5042、快速开关版本
应用
- 工业扫描器
- 测试仪器仪表
- 蜂窝基础设施 - 毫米波 (mmWave) 5G
- 军用无线电、雷达、电子对抗 (ECM)
- 微波无线电和甚小孔径终端 (VSAT)
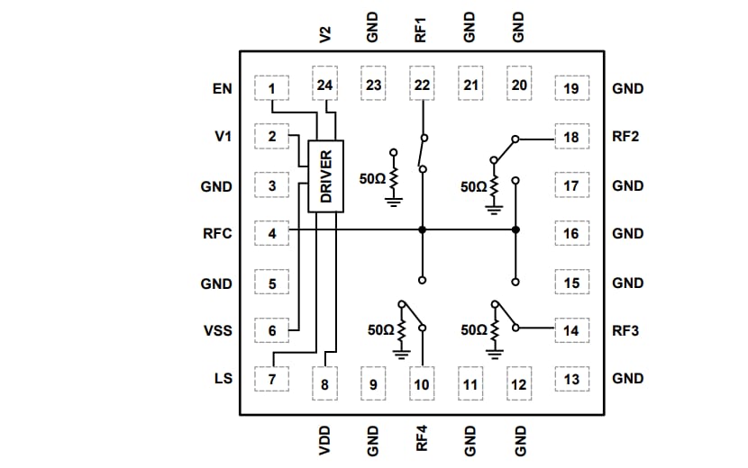
框图
发布日期: 2020-09-23
| 更新日期: 2024-11-12

