Analog Devices Inc. ADRF5354射频前端多芯片模块
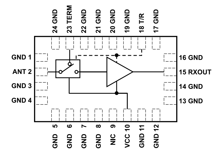
Analog Devices Inc. ADRF5534射频前端多芯片模块设计用于时分双工(TDD) 应用,工作频率范围为3.1GHz至4.2GHz。这些多芯片模块配置有LNA和大功率硅SPDT开关。LNA在接收操作中具有1.3dB低噪声系数 (NF),35.5dB高增益和−4dBm三阶输入截取点 (IIP3)。该开关具有0.8dB低插入损耗,可处理37dBm长期演进 (LTE) 平均功率,从而在发射操作中实现完整的使用寿命。ADRF5534射频前端多芯片模块非常适合用于无线基础设施、基于TDD的通信系统以及TDD大规模多输入和多输出 (MIMO) 和有源天线系统。特性
- 集成射频前端:
- LNA和大功率硅SPDT开关
- 片上偏置和匹配
- 单电源运行
- 增益:35.5dB(3.6GHz时,典型值)
- 增益平坦度(25°C、400MHz带宽时):1.5dB
- 低噪声:1.3dB(3.6GHz时,典型值)
- 低插入损耗:0.8dB(3.6GHz时,典型值)
- 正逻辑控制
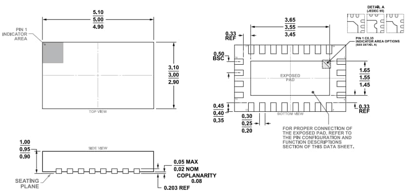
- 5mm ×3mm、24-引线LFCSP封装
- TCASE = 105°C时具有高功率处理能力
- 整个生命周期
- LTE平均数功率 (8dB PAR):37dBm
- 单一事件(<10秒运行)
- LTE平均数功率 (8dB PAR):39dBm
- 整个生命周期
- 高输入IP3 : -4dBm
- 低电源电流:
- 120mA典型接收操作@ 5V
- 15mA典型发射操作@ 5V
应用
- 无线基础设施
- TDD大规模多输入和多输出 (MIMO) 以及有源天线系统
- 基于TDD的通信系统
框图
外形尺寸
发布日期: 2023-04-27
| 更新日期: 2023-05-09
