应用
- 工业扫描器
- 测试与检测仪器
- 5G毫米波蜂窝基础设施
- 军用无线电、雷达和电子对抗 (ECM)
- 微波无线电和甚小孔径终端 (VSAT)
评估板堆叠,横截面视图
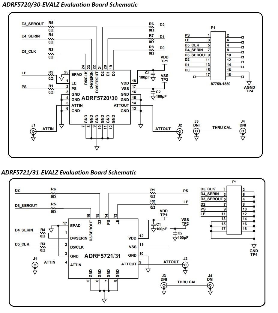
原理图
View Results ( 4 ) Page
| 物料编号 | 数据表 | 工具用于评估 | 频率 |
|---|---|---|---|
| ADRF5731-EVALZ | ![]() |
ADRF5731 | 100 MHz to 40 GHz |
| ADRF5720-EVALZ | ![]() |
ADRF5720 | 9 kHz to 40 GHz |
| ADRF5730-EVALZ | ![]() |
ADRF5730 | 100 MHz to 40 GHz |
| ADRF5721-EVALZ | ![]() |
ADRF5721 | 9 kHz to 40 GHz |
发布日期: 2019-01-07
| 更新日期: 2023-07-27


