特性
- 4个差分发射器
- 4个差分接收器
- 2个观察接收器,每个接收器2个输入
- 中心频率:650MHz至6000MHz
- 最大接收器带宽:200MHz
- 最大发射器带宽:200MHz
- 最大发射器合成带宽:450MHz
- 最大观察接收器带宽:450MHz
- 完全集成的独立小数N分频射频合成器
- 完全集成的时钟频率合成器
- 针对所有本地振荡器和基带时钟的多芯片相位同步
- 支持TDD和FDD应用
- 16Gbps JESD204B/JESD204C数字接口
技术文章
- 5G Technology Devices for an O-RAN Wireless Solution
Discover a platform that meets the required RF characteristics, cost, and power budgets required to deploy a low-cost, high-performance O-RAN platform. - Simplify Antenna Calibration
The radio frequency (RF) phase-locked loop (PLL) phase synchronization feature available in Analog Devices’ software-defined radios (SDRs) helps in reducing the complexity in antenna calibrations, especially for systems that employ large antenna arrays.
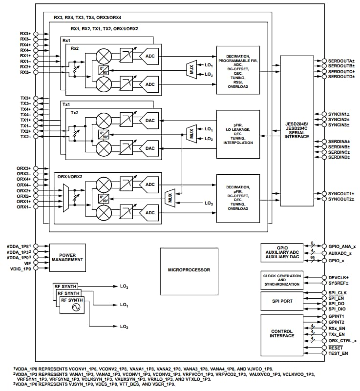
框图
发布日期: 2019-12-03
| 更新日期: 2024-02-28

