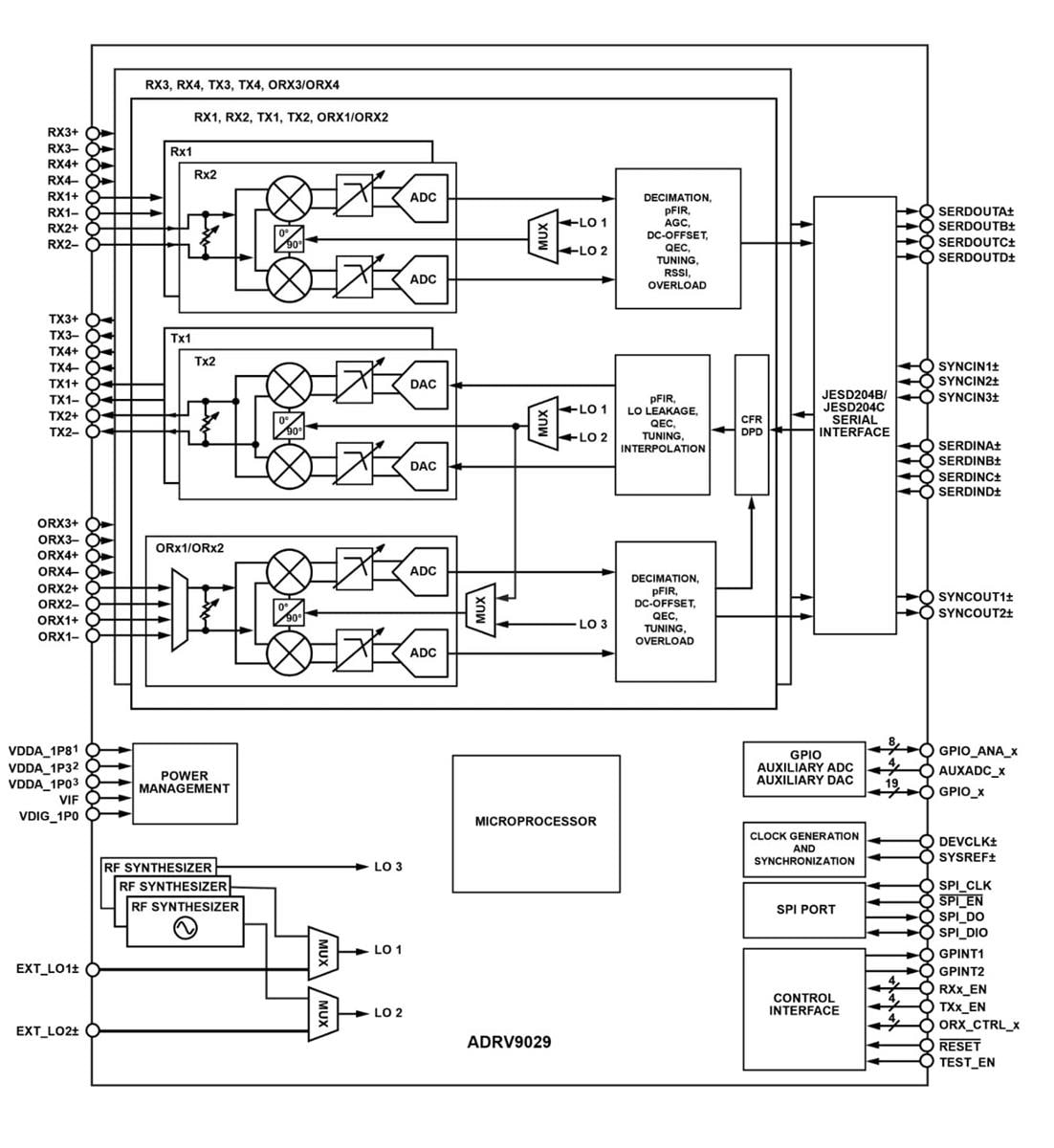
ADRV9029收发器包括五个完全集成的锁相环(PLL),可实现高水平的射频性能。这些收发器包含一个完全集成的低功耗数字预失真调整引擎,用于功率放大器线性化。ADRV9029收发器直接由1.0V、1.3V和1.8V稳压器供电,并通过标准串行外设接口串行端口进行控制。典型应用包括3G/4G/5G TDD和FDD大规模MIMO、宏蜂窝和小型蜂窝基站。
特性
- 4个差分发射器
- 4个差分接收器
- 2个观察接收器,每个接收器2个输入
- 75MHz至6000MHz中心频率范围
- 完全集成的DPD自适应引擎,用于对功率放大器进行线性化处理
- 波峰因数降低引擎
- 最大接收器带宽:200MHz
- 最大发射器大信号带宽:200MHz
- 最大发射器合成带宽:450MHz
- 最大观察接收器带宽:450MHz
- 完全集成的独立小数N分频射频合成器
- 完全集成的时钟频率合成器
- 针对所有本地振荡器和基带时钟的多芯片相位同步
- 支持TDD和FDD应用
- 24.33Gbps JESD204B/JESD204C数字接口
其他资源
框图
发布日期: 2021-03-15
| 更新日期: 2024-06-24

