Analog Devices Inc. ADuM3190 隔离误差放大器
Analog Devices ADuM3190/4190 是采用 ADI iCoupler® 技术制造的高稳定性隔离误差放大器,非常适合于带原边控制器的线性反馈电源,与常用的光耦合器和分流调节器解决方案相比,在瞬态响应、功率密度和稳定性方面均有所提高。与在整个寿命周期中和高温下具有不确定电流传输比的基于光耦合器的解决方案不同,ADuM3190/4190的传输功能不随寿命周期而改变,在宽温度范围-40℃至125℃内保持稳定。它内置宽频运算放大器,可用于设置各种常用的电源环路补偿技术。ADuM3190/4190速度足够快,允许反馈环路对快速瞬变调节和过流条件作出反应。该器件还内置一个高精度1.225V基准电压源,可与电源输出设定点进行比较。The ADI ADuM3190/4190 includes a wide band operational amplifier that can be used to set up a variety of commonly used power supply loop compensation techniques. ADuM3190/4190 is fast enough to allow a feedback loop to react to fast transient conditions and over current conditions. The device also includes a high accuracy 1.225V reference to compare with the supply output set point.
特性
- Stable over time and temperature
- 0.5% initial accuracy
- 1% accuracy over the full temperature range
- Compatible with Type II or Type III compensation networks
- 1.225V Reference voltage
- Compatible with DOSA
- <7mA Total low power operation
- Wide voltage supply range
- VDD1 is 3V to 20V
- VDD2 is 3V to 20V
- 400kHz Bandwidth
- 2.5kVrms Isolation voltage
应用
- Linear power supplies
- Inverters
- Uninterruptible Power Supply
- DOSA-compatible modules
- Voltage monitors
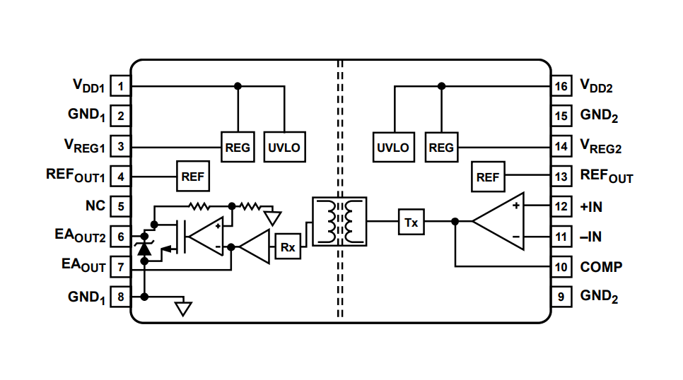
Block Diagram
Additional Resources
Using the ADuM4136 Isolated Gate Driver and LT3999 DC-to-DC Converter to Drive a 1200V SiC Power Module
Learn More
发布日期: 2013-05-30
| 更新日期: 2022-03-11
