Analog Devices Inc. ADuM4221/-1/-2半桥栅极驱动器
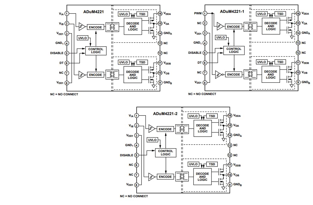
Analog Devices ADuM4221/-1/-2是4A隔离式半桥栅极驱动器,采用iCoupler® 技术,可提供独立隔离的高侧和低侧输出。ADuM4221/-1/-2提供5700 Vrms 隔离,采用增加爬电距离、宽体、16引线SOIC_IC封装。 这些隔离器件将高速CMOS和单片变压器技术融为一体,具有优于脉冲变压器和栅极驱动器组合等替代器件的出色性能特征。这些器件采用2.5V至6.5V逻辑输入电源电压工作,可与低压系统兼容。与采用高压电平转换方法的栅极驱动器相比,ADuM4221/-1/-2输入与各输出之间具有真电流隔离优势。Analog Devices Inc. ADuM4221和ADuM4221-1均内置重叠保护,支持死区时间调整。 死区时间引脚(DT)和GND1引脚之间的单个电阻器设置高侧和低侧输出之间的二次侧死区时间。
如果ADuM4221/-1/-2上的内部温度超过内部热关断(TSD)温度,则TSD设置为低输出。因此,这些器件可在较宽的正或负开关电压范围内,可靠地控制绝缘栅极双极晶体管(IGBT)或金属氧化物半导体场效应晶体管(MOSFET)配置的开关特性。
特性
- 峰值电流:4A(<2Ω RDSON_x)
- 输入电源电压:2.5V至6.5V
- 输出电源电压:4.5V至35.0V
- UVLO VDD1 正向阈值:2.5V(最大值)
- 多个UVLO选项,用于VDDA 和VDDB 正向阈值
- A级:4.5V(最大值)
- B级:7.5V(最大值)
- C级:11.6V(最大值)
- 精密时序特性
- 最大传播延迟:44ns
- 可调死区时间和双输入(ADuM4221)
- 可调死区时间和单输入(ADuM4221-1)
- 无死区时间控制和双输入(ADuM4221-2)
- CMOS输入逻辑电平
- 高共模瞬态抑制:150kV/µs
- 高工作结温:125°C
- 默认低电平输出
- 安全和监管批准(申请中)
- UL认证:符合UL 1577
- 5700V rms,持续1分钟
- CSA元件验收通知5A
- VDE符合性证书
- DIN V VDE V 0884-11是VIORM = 849V峰值
- UL认证:符合UL 1577
- 爬电距离增加、宽体、16引线SOIC_IC
应用
- 开关电源
- 隔离式IGBT/MOSFET栅极驱动器
- 工业逆变器
- 氮化镓(GaN)/碳化硅(SIC)兼容
视频
框图
发布日期: 2020-09-18
| 更新日期: 2025-03-11
