Analog Devices Inc. LTM4655演示电路DC2594A

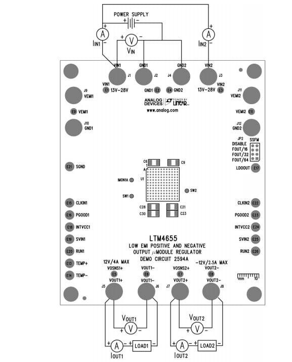
Analog Devices Inc. LTM4655演示电路DC2594A提供一种测量和评估LTM4655双/单通道反相μModule®稳压器的简单方法。LTM4655是一款符合EN55022B标准的40V、双通道4A或单通道8A降压或50W反相直流/直流μModule稳压器。

ADI LTM4655演示电路DC2594A将两个通道的开关频率设置为1.2MHz。假设输出电压因过载或短路情况大幅下降。在这种情况下,内部振荡器将折返到LTM4655编程开关频率的五分之一,从而保护电源开关免受损坏。

特性

  • SSFM跳线,用于扩频选项
  • CLKIN输入,用于外部同步
  • 每个输出PGOOD信号

概述

Analog Devices Inc. LTM4655演示电路DC2594A

正确设备设置

位置电路 - Analog Devices Inc. LTM4655演示电路DC2594A
发布日期: 2021-08-13 | 更新日期: 2022-03-11