特性
- 排序、调整、裕度和监控四个电源
- 管理故障、监控遥测以及创建故障记录
- 符合PMBus标准的命令集
- 由LTpowerPlay GUI提供支持
- 电源裕度调节和调整精度达0.25%
- 四个IOUT和两个IIN监视器
- 输入电源管理和能量积累
- 每个通道具有快速OV/UV监控器
- 多通道故障管理
- 自动将故障记录至内部EEPROM
- 可执行自主型操作,无需额外的软件
- 监控:电压、电流、功率和温度
- 双通道基于时间的输出排序器
- I2C/SMBus串行接口
- 8V至18V供电
应用
- Computers and network servers
- Industrial test and measurement
- High-reliability systems
- Video and medical imaging
必要设备
- +12VDC power supply
- USB-to-I2C/SMBus/PMBus controller (DC1613)
- LTpowerPlay Software
概述
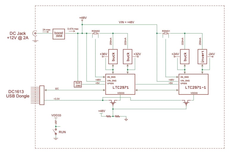
框图
Resources
发布日期: 2020-09-18
| 更新日期: 2024-11-08

